Запчасти Bobcat BREAKERS BREAKER (X-Change Mounting Kit) (1560) (Use on 325, 328, 331, 334, 337, 341) Экскаваторы

Схема запчастей Bobcat BREAKERS - BREAKER (X-Change Mounting Kit) (1560) (Use on 325, 328, 331, 334, 337, 341) Экскаваторы
FIT
1:1
100%

Артикул

Название

Примечание

Количество

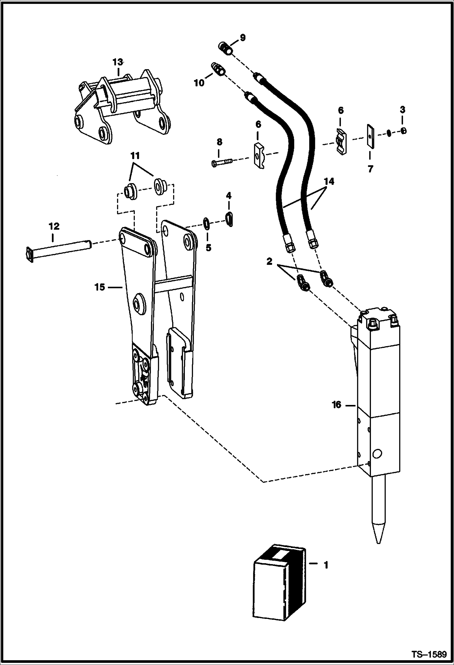
1

KIT NLA - Order components - X-Change Breaker Mounting W/Refs. 2 - 15 - Was SALES

2

6515615

ELBOW W/Ref. 19

2

79K10

O RING 10

3

95D6

NUT

4

6560382

PIN, LOCK Retaining - Snap Lock

5

6584872

WASHER

6

6595353

CLAMP

7

6595356

PLATE

8

17C656

BOLT

9

6672960

COUPLER, FF FEMALE straight

9

79K12

O RING 10

10

6674688

COUPLER, FF MALE straight - Was 6667808 - A

10

79K12

O RING 10

11

6705536

BUSHING include (2) W/Kit, (2) with Breaker Assy.

12

6714369

PIN

13

6716801

FRAME X-Change to Breaker Mount

14

6718689

HOSE W/Ref. 14

15

6705592

FRAME breaker mounting

16

BREAKER SALES

Выбрано товаров: 19