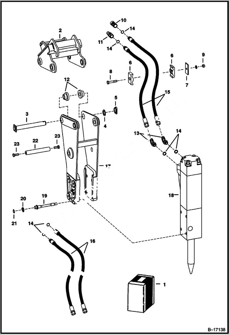
Запчасти Bobcat BREAKERS BREAKER (X-Change Mounting Kit) (2560) (3560) (2570) (3570) (Use on 325, 328, 331, 334) Экскаваторы

Схема запчастей Bobcat BREAKERS - BREAKER (X-Change Mounting Kit) (2560) (3560) (2570) (3570) (Use on 325, 328, 331, 334) Экскаваторы
FIT
1:1
100%

Артикул

Название

Примечание

Количество

1

KIT NLA - X-Change breaker mounting - W/Refs. 2-14 - Order components

2

6714375

FRAME X-Change to breaker mount

3

6714369

PIN

4

6584872

WASHER

5

6560382

PIN, LOCK snap lock

6

6595353

CLAMP

7

6595356

PLATE

8

17C656

BOLT

9

95D6

NUT

10

6672960

COUPLER, FF FEMALE straight

11

6674688

COUPLER, FF MALE straight

11

O-RING

12

6705536

BUSHING Incl. (2) W/kit and (2) W/breaker Assy.

13

18K8

FTG W/Ref. 19

14

79K12

O RING 10

15

6714881

HOSE 1.06'' threads on male end - W/Ref. 14 - For use on Model 325 & 331, not included in kit - Was 6711709 - A

15

6725244

HOSE W/Ref. 14 - For use on Model 325 & 331, not included in kit

16

6715167

HOSE W/Ref. 14 - For Model 334 only, not included with kit Ref. 1 - Order separately

17

6705592

FRAME breaker mounting

18

BREAKER SALES

19

6662307

BOLT

20

6728010

WASHER lockplate - Was 6662308 - A

21

6662309

SNAP RING

22

6715741

BAR support

23

31C832

BOLT

Выбрано товаров: 25