Запчасти Bobcat BREAKERS BREAKER (Hydraulic Breaker Bob-Tach Mtg) (Two Position) (1560) Loader

Схема запчастей Bobcat BREAKERS - BREAKER (Hydraulic Breaker Bob-Tach Mtg) (Two Position) (1560) Loader
FIT
1:1
100%

Артикул

Название

Примечание

Количество

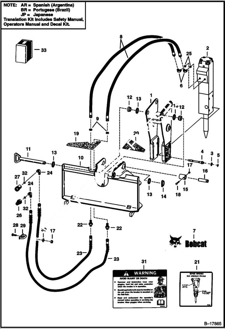
1

6706764

FRAME

2

6664545

BREAKER See Illustration BREAKER/ B17869

3

6728010

WASHER locking - Was 6662308 - A

4

6664544

BOLT

5

6662309

SNAP RING retaining

6

18K7

FITTING W/Ref. 25

7

6727323

DECAL, LOGO BOBCAT AND HEAD RH - Was 6567988 - A

7

6727324

DECAL, LOGO BOBCAT AND HEAD LH - Was 6567987 - A

8

6705737

HOSE, HYD ASSY

9

86F7

LOCK NUT

10

6709406

FRAME mounting

11

6576880

PIN

12

6705536

BUSHING

13

6584872

WASHER

14

6560382

PIN, LOCK lock ring

15

6707445

BUSHING Weld-in - Use W/ Ref. 16

16

6707444

PIN W/Bolt hole - 5''(127mm) long

17

85D6

NUT, 5

18

17C648

BOLT 5

19

6575692

SAFETY TREAD

20

6575710

SAFETY TREAD

21

6708628

DECAL service

22

45K7

CONNECTR

23

6714880

HOSE, HYD ASSY Was 6710460 - A

24

17K7

ELBOW W/Ref. 32 - used with poppet couplers

24

17KB1012

FITTING, HYD ELBOW W/Ref. 32 - used with flush face couplers - Was 1302104B - A

25

79K10

O RING 10

26

6598757

COUPLER, POPPET MALE straight

26

6674688

COUPLER, FF MALE straight - Was 6667808 - A

26

6679841

SEAL Was 6672026 - A

27

6598758

COUPLER, POPPET FEMALE straight

27

6672960

COUPLER, FF FEMALE straight - Was 6667807 - A

27

6680017

COUPLER, FF FEMALE heavy duty

28

37C652

BOLT

29

6706160

GUIDE

30

872229

WASHER

31

6572074

DECAL warning

32

79K10

O RING 10 Use with poppet couplers

32

79K12

O RING 10 Use with flush face couplers

33

6716672AR

KIT decal - SEE NOTE

33

6716672BR

KIT decal - SEE NOTE

33

6716672JP

KIT decal - SEE NOTE

33

6716671AR

KIT translation - SEE NOTE

33

6716671BR

KIT translation - SEE NOTE

33

6718926AR

KIT decal - SEE NOTE-for 2 pos frame

33

6718926BR

KIT decal - SEE NOTE-for 2 pos frame

33

6718926JP

KIT decal - SEE NOTE-for 2 pos frame

33

6718925AR

KIT trans - SEE NOTE-for 2 pos frame

33

6718925BR

KIT trans - SEE NOTE-for 2 pos frame

Выбрано товаров: 49