Запчасти Bobcat BREAKERS BREAKER (Hydraulic Breaker Bob-Tach Mtg) (Two Position) (2500) (3500) Loader

Схема запчастей Bobcat BREAKERS - BREAKER (Hydraulic Breaker Bob-Tach Mtg) (Two Position) (2500) (3500) Loader
FIT
1:1
100%

Артикул

Название

Примечание

Количество

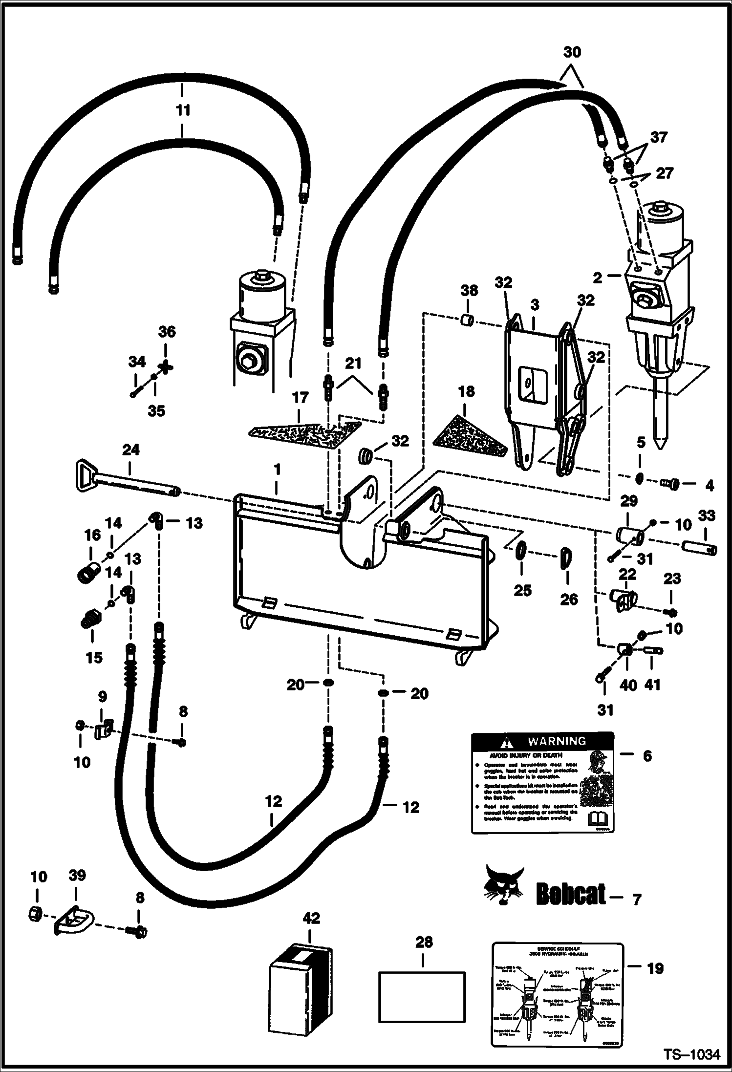
1

6709406

FRAME 2-position mtg. - Was Sales - A

2

BREAKER See Illustration BREAKER/ B17870

3

6538970

FRAME Was 6575691 - A

4

BOLT NLA - Order 6654810 & 6654811 - Was 73G001632B - A

4

6654810

BOLT

5

WASHER NLA - Order 6654810 & 6654811 - Was 6568537 - A

5

6654811

WASHER

6

6572074

DECAL warning

7

6727323

DECAL, LOGO BOBCAT AND HEAD RH - Was 6567988 - A

7

6727324

DECAL, LOGO BOBCAT AND HEAD LH - Was 6567987 - A

8

37C660

BOLT 7753 - Was 17C000660B - B

8

37C652

BOLT

9

6563353

CLAMP

10

85D6

NUT, 5

11

6579996

HOSE 39'' (990,6mm) long - Was 6578189 - A

12

6714880

HOSE, HYD ASSY Was 6710460 - A

13

17K7

ELBOW Use with poppet couplers

13

17KB1012

FITTING, HYD ELBOW Use with flush face couplers - Was 1302104B - A

14

79K10

O RING 10 Use with poppet couplers

14

79K12

O RING 10 Use with flush face couplers

15

6598757

COUPLER, POPPET MALE straight

15

6674688

COUPLER, FF MALE straight - Was 6667808 - A

15

6679841

SEAL Was 6672026 - A

16

6598758

COUPLER, POPPET FEMALE straight

16

6672960

COUPLER, FF FEMALE straight - Was 6667807 - A

16

6680017

COUPLER, FF FEMALE heavy duty

16

48K16

O RING 10 Use with poppet coupler

17

6575692

SAFETY TREAD

18

6575710

SAFETY TREAD

19

6568536

DECAL service

20

86F7

LOCK NUT

21

45K7

CONNECTR

22

6575689

PIN W/Tab

23

84G3716

SCREW 5 Use on Mounting Frame W/O Stud

23

83D8

NUT 5 Use on Mounting Frame W/ Stud

24

6576880

PIN

25

6584872

WASHER

26

6560382

PIN, LOCK lock ring

27

79K12

O RING 10

28

6650685

DECAL

29

6700550

BUSHING weld on - Use W/Ref. 33

30

HOSE NLA - 43'' (1092mm) long - Order 6538061 & 15K000008B - Was 6700551 - A

30

6538061

HOSE 52'' (1321mm)long - Use W/15K-8 Adapter

30

6705737

HOSE, HYD ASSY 52'' (1321mm)long - Use W/755055B Adapter

31

17C648

BOLT 5

32

6576328

BUSHING weld on - Use W/Ref. 32

33

6576164

PIN W/Bolt Hole - 6'' (152.4mm) long

34

17C652

BOLT

34

17C680

BOLT

35

872229

WASHER Was 25E000017B - B

36

6647668

KNOB Was 6647660 - D

37

15K8

FITTING W/Ref. 27 - Use W/ 6538061 hose - 1.0625'' (26,98mm) Dia.

37

15KB1012

FITTING, HYD CONNECTOR W/Ref. 27 - Use W/ 6705737 hose - .875'' (22,2mm) Dia. - Was 755055B - A

38

6560334

BUSHING

39

6706160

GUIDE Was 6702646 - A

40

6707445

BUSHING Weld-in

41

6707444

PIN W/Bolt hole - 5''(127mm) long

42

6718921AR

KIT translation

42

6718921BR

KIT translation

42

6566850AR

OP MANUAL translated

42

6566850BR

OP MANUAL translated

42

6718930AR

KIT translation - for Ref. 3

42

6718930BR

KIT translation - for Ref. 3

42

6720758AR

INSTRUCTIONS translated for Ref. 3

42

6720758BR

INSTRUCTIONS translated for Ref. 3

Выбрано товаров: 65