Запчасти Bobcat BREAKERS BREAKER (Lower Housing) (B700) Loader

Схема запчастей Bobcat BREAKERS - BREAKER (Lower Housing) (B700) Loader
FIT
1:1
100%

Артикул

Название

Примечание

Количество

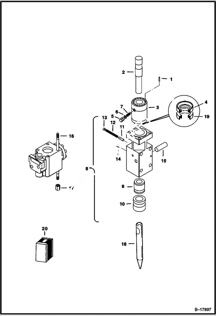
1

6676672

PIN

2

6676673

PISTON

3

6686370

CYLINDER, HYD BREAKER Was 6676674 - A

4

6676675

LIP SEAL

5

6676676

NUT

6

6676677

RING

7

6676678

SCREW adjusting

8

6676679

HOUSING ASSY lower - W/Ref. 9 - 14

9

6676680

BUSHING upper

10

6676681

BUSHING lower

11

6676682

RETAINER

12

6676683

SPRING

13

6676684

PIN

14

6693011

GREASE ZERK Was 6676685 - A

15

6676686

PIN retaining

16

6687827

BOLT Was 6676688 - A

17

6676689

NUT

18

TOOL See Illustration BREAKER/ MS1044

19

6682438

SEAL

20

6688649

KIT, SEAL See Illustration BREAKER/ B16477 Ref. 3, 5 & 7 & Ref. 4, 6 & 19 from this ill.- Seal kit comes with copper color & gray color lubricant - do not use the copper color lubricant (EM-10) - use

Выбрано товаров: 0