Запчасти Bobcat BREAKERS BREAKER (Lower Housing) (B850) (B950) Loader

Схема запчастей Bobcat BREAKERS - BREAKER (Lower Housing) (B850) (B950) Loader
FIT
1:1
100%

Артикул

Название

Примечание

Количество

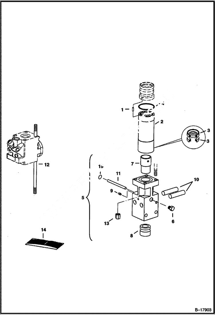
1

6677960

PIN

2

6677961

CYLINDER, HYD BREAKER

3

6682440

SEAL, OIL Was 6677962 - A

4

6677963

O-RING

5

HOUSING ASSY W/Ref. 6-9 NLA - W/Ref. 6-9 - Was 6677964 - A

6

6677965

PLUG

7

6677966

BUSHING, UPPER upper

8

6677967

BUSHING, LOWER lower

9

6693011

GREASE ZERK Was 6676685 - A

10

6677968

PIN, RETAINING retaining

11

6686294

STOP, HYD BREAKER Was 6677969 - A

12

6677970

BOLT

13

6677971

NUT

14

6682441

KIT, SEAL See Illustration BREAKER/ B17902 W/Ref 3 & 4 - also contains Ref.'s 3, 6, 13 & 14 from B17902 - Seal kit comes with copper color & gray color lubricant - do not use the copper color lubr

15

6733051

RING,RETAINING retaining - Was 6678741 - A

Выбрано товаров: 0