Запчасти Bobcat BREAKERS BREAKER (Breaker Mounting Kit) (2560) (2570) (3560) (3570) (Use on 709, 811) Loader

Схема запчастей Bobcat BREAKERS - BREAKER (Breaker Mounting Kit) (2560) (2570) (3560) (3570) (Use on 709, 811) Loader
FIT
1:1
100%

Артикул

Название

Примечание

Количество

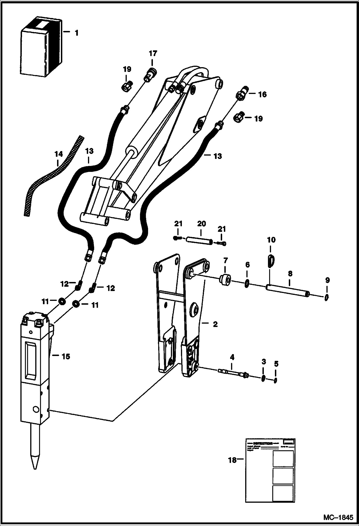
1

KIT NLA - W/Ref. 6-18 - Order Components

2

6705592

FRAME

3

6728010

WASHER locking - Was 6662308 - A

4

6662307

BOLT

5

6662309

SNAP RING retaining

6

6584872

WASHER

7

6705536

BUSHING

8

6705593

PIN

9

6538285

LOCK RING

10

6560382

PIN, LOCK locking

11

79K12

O RING 10

12

18K8

FTG

13

6588312

HOSE .875'' threads on male end

13

6714881

HOSE 1.06'' threads on male end - Was 6711709 - A

14

6656155

HOSE COVER bulk - sold per foot

15

BREAKER See Illustration BREAKER/ B17877

16

6598757

COUPLER, POPPET MALE straight

16

6674688

COUPLER, FF MALE straight - Was 6667808 - A

16

6679841

SEAL Was 6672026 - A

17

6598758

COUPLER, POPPET FEMALE straight

17

6672960

COUPLER, FF FEMALE straight - Was 6667807 - A

17

6680017

COUPLER, FF FEMALE heavy duty

18

6722592

INSTRUCTION

19

6668096

ADAPTER Use between flush face couplers and 6588312 hose

20

6715741

BAR support

21

31C832

BOLT

Выбрано товаров: 26