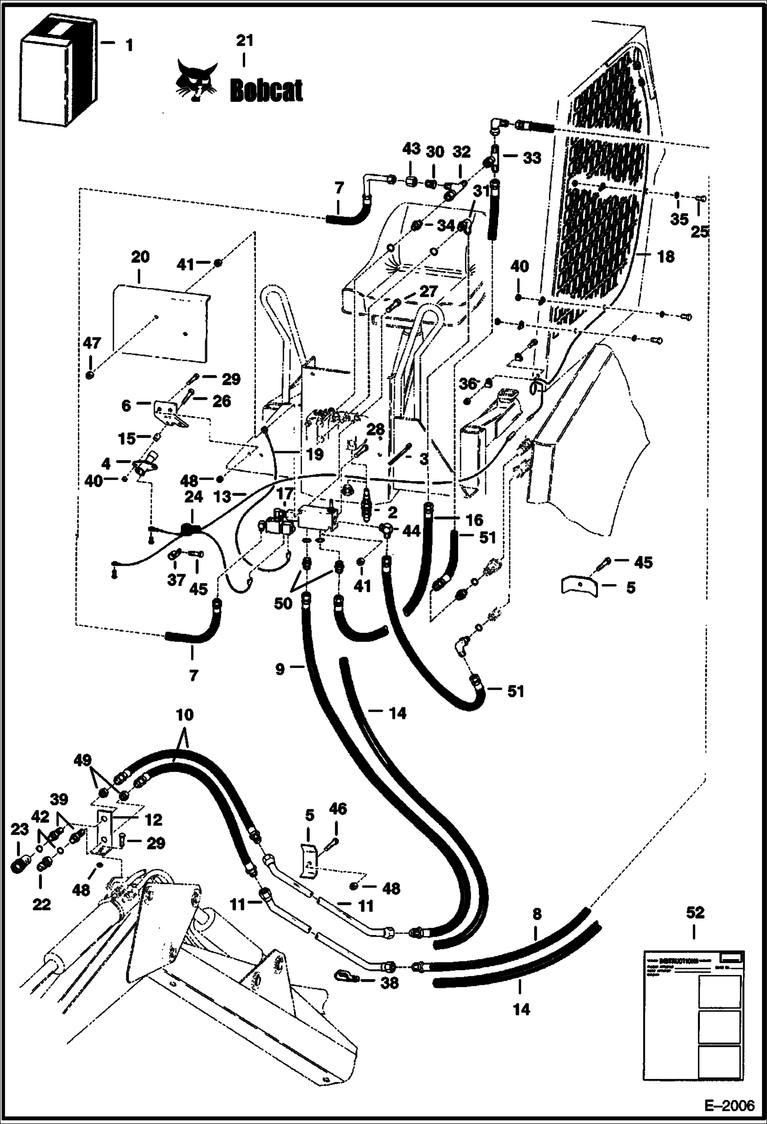
Запчасти Bobcat BREAKERS BREAKER (Hydraulic Breaker Backhoe Mtg) (Use on 907) Loader

Схема запчастей Bobcat BREAKERS - BREAKER (Hydraulic Breaker Backhoe Mtg) (Use on 907) Loader
FIT
1:1
100%

Артикул

Название

Примечание

Количество

1

KIT SALES

2

966134

RELIEF VALVE

3

6610510

TIE Was 1715312B - A

4

2533656

SWITCH

5

6502426

CLAMP

6

6534960

BRACKET

7

6535882

HOSE

8

6535883

HOSE

9

6535884

HOSE

10

6535885

HOSE

11

6535886

TUBELINE

12

6535887

BRACKET

13

6535888

HARNESS

14

6656155

HOSE COVER bulk - sold per foot

15

791979

SPACER

16

6575845

HOSE

17

VALVE See Illustration BREAKER/ B13650 NLA - FLOW DIVIDER - Use W/ pipe fittings - Order 6688736, 17KB-1008 & 15KB-1008 - Was 6593217 - A

17

VALVE, AUX NLA - Use W/ O-Ring boss fitting - Was 6692330 - A

18

6593223

HARNESS

19

6593226

HARNESS

20

6593220

COVER

21

6727324

DECAL, LOGO BOBCAT AND HEAD Was 6714353 - B

22

6598757

COUPLER, POPPET MALE straight

22

6674688

COUPLER, FF MALE straight - Was 6667808 - A

22

6679841

SEAL Was 6672026 - A

23

6598758

COUPLER, POPPET FEMALE straight

23

6672960

COUPLER, FF FEMALE straight - Was 6667807 - A

23

6680017

COUPLER, FF FEMALE heavy duty

24

6632463

BOOT

25

17C412

BOLT 5

26

17C424

BOLT

27

17C540

BOLT

28

17C548

BOLT

29

17C616

BOLT 5

30

9K5

ADAPTER

31

11K7

ADAPTER

32

13K7

FITTING

33

14K7

TEE

34

15K7

FITTING

35

25E13

WASHER 5

36

30H21

CLAMP 10

37

30H31

CLAMP 10

38

31H38

CLAMP

39

45K7

CONNECTR Use with poppet couplers

39

6711625

FITTING Use with flush face couplers

40

61D4

NUT 5

41

61D5

NUT

42

79K10

O RING 10 Use with poppet couplers

42

79K12

O RING 10 Use with flush face couplers

43

80F7

NUT

44

83F7

ELBOW pipe threads

44

17KB1008

FITTING, HYD ELBOW o-ring boss threads

45

84G3716

SCREW 5

46

84G3724

BOLT

47

85D5

NUT 5

48

85D6

NUT, 5

49

86F7

LOCK NUT

50

89F7

ADAPTOR pipe threads

50

15KB1008

FITTING, HYD CONNECTOR o-ring boss threads

51

672554

HYD HOSE

52

6720319

INSTRUCTION

Выбрано товаров: 61