Запчасти Bobcat BUCKETS 90 COMBINATION BUCKET (028700101) Телескопические мини-погрузчики

Схема запчастей Bobcat BUCKETS - 90 COMBINATION BUCKET (028700101) Телескопические мини-погрузчики
FIT
1:1
100%

Артикул

Название

Примечание

Количество

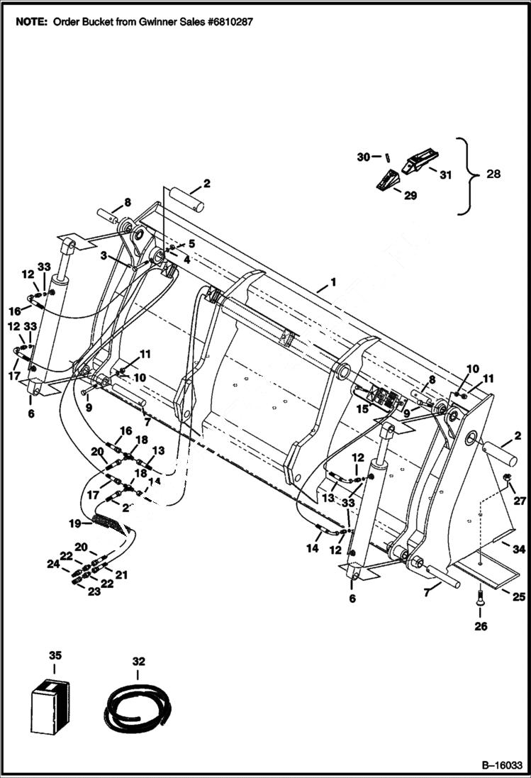
1

BUCKET SALES #6810287 - combination - 2286 mm (90'') wide

2

6678180

PIN pivot

3

18C856

SCREW

4

4E8

WASHER

5

86D8

NUT

6

CYLINDER See Illustration CYLINDER/ B16041

7

6678181

PIN

8

6678182

PIN

9

17C640

BOLT 5

10

4E6

WASHER

11

85D6

NUT, 5

12

15KB0606

FITTING, HYD CONNECTOR W/Ref. 33

12

97K6

O RING

13

6678170

HOSE

14

6678173

HOSE

15

6678193

CLAMP ASSY

16

6678159

HOSE

17

6678165

HOSE

18

10K5

TEE Was 10KN00005B - A

18

97K6

O RING

19

SLEEVE NLA - 762 mm (30'') long - Order Ref. 32

20

6678160

HOSE

21

6678161

HOSE

22

6578812

ADAPTER

22

79K12

O RING 10

23

6672960

COUPLER, FF FEMALE straight

24

6674688

COUPLER, FF MALE straight

25

6678192

EDGE, CUTTING, BOLT-ON 90'' 8 hole

26

6729510

BOLT

27

57D10

NUT

28

TOOTH ASSY NLA - W/Ref. 29-31 - Order Ref. 35

29

7107319

TOOTH, BUCKET 10 See BTI376 - 114,3 mm (4.5'') long - Was 6716001 - A

30

14J3732

PIN, STRAIGHT 5 See BTI376

30

6737326

PIN, FLEX BUCKET TOOTH See BTI376

31

SHANK NLA - Order Ref. 35

32

6652367

HOSE COVER bulk - Sold Per Foot

33

99K6

O RING

34

6679705

EDGE, CUTTING WELD-ON 90''

35

6737322

KIT, TOOTH BUCKET 8 8 tooth - contains 8 tooth assy's with nuts and bolts - Was 6717946 - A

Выбрано товаров: 39