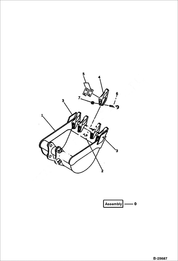
Запчасти Bobcat BUCKETS BUCKET (0.11 Cubic Meters) (Mini 0.18 Cubic Meters)(100) (600 mm Wide) Экскаваторы

Схема запчастей Bobcat BUCKETS - BUCKET (0.11 Cubic Meters) (Mini 0.18 Cubic Meters)(100) (600 mm Wide) Экскаваторы
FIT
1:1
100%

Артикул

Название

Примечание

Количество

0

BUCKET ASS'Y Was 20S-920-0020

1

BUCKET Was 20S-920-3110

2

6642876

EDGE lip - welded

3

6640912

WELD/EDGE plate - welded

4

6639612

TOOTH

5

6639609

KIT, SHIM assy

6

6637169

BOLT

7

6637170

NUT

Выбрано товаров: 8