Запчасти Bobcat BUCKETS BUCKET (600 mm Wide)(116) Экскаваторы

Схема запчастей Bobcat BUCKETS - BUCKET (600 mm Wide)(116) Экскаваторы
FIT
1:1
100%

Артикул

Название

Примечание

Количество

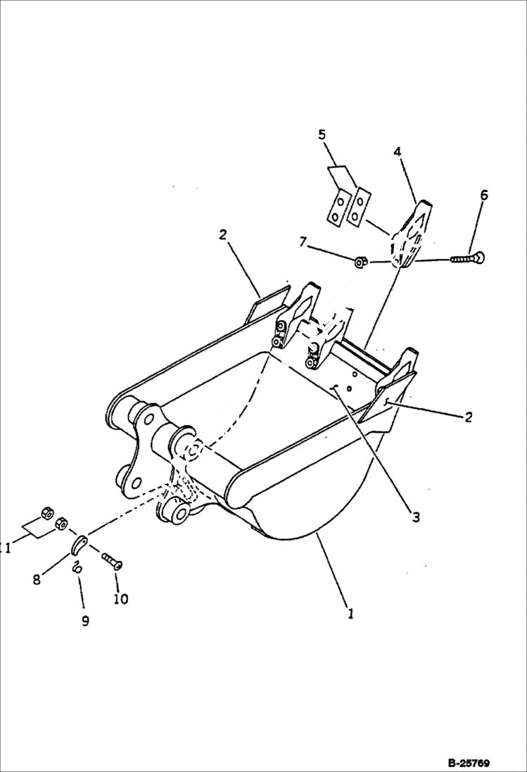
1

BUCKET SALES

2

6642956

PLATE

3

6642957

LIP

4

6639612

TOOTH

5

6639614

SHIM 0,5 mm

5

6639613

SHIM 1,00 mm

6

6637169

BOLT

7

6637170

NUT

8

6639623

LEVER

9

6638898

SPRING

10

6637035

SCREW

11

6637105

NUT

Выбрано товаров: 12