Запчасти Bobcat BUCKETS BUCKET (0.14 Cubic Meters) (Mini 0.24 Cubic Meters)(116) (600 mm Wide) (Reinforced Type) Экскаваторы

Схема запчастей Bobcat BUCKETS - BUCKET (0.14 Cubic Meters) (Mini 0.24 Cubic Meters)(116) (600 mm Wide) (Reinforced Type) Экскаваторы
FIT
1:1
100%

Артикул

Название

Примечание

Количество

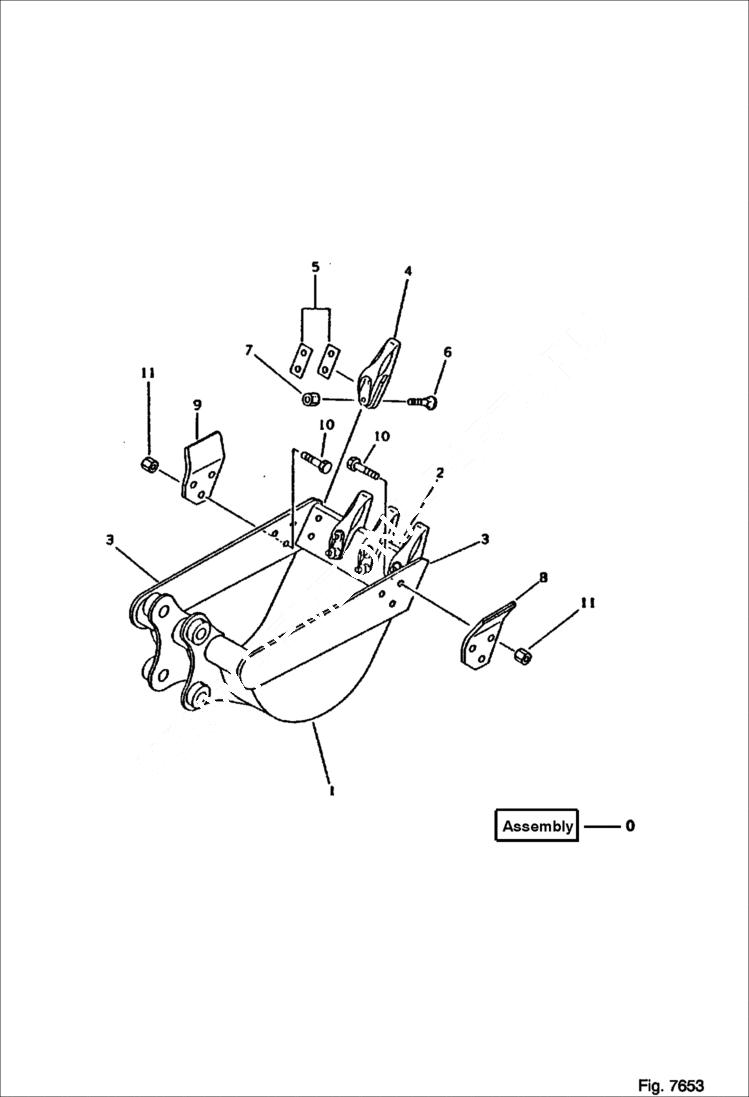
0

BUCKET ASSY Was 20T-70-00570

1

BUCKET Was 20T-70-42210

2

LIP Was 20T-70-42220

3

PLATE Was 20T-70-42230

4

TOOTH Was 103-70-22140

5

SHIM ASSY Was 20U-70-05010

6

BOLT Was 113-70-22160

7

NUT Was 113-70-22280

8

CUTTER L.H. - Was 20U-70-13240

9

CUTTER R.H. - Was 20U-70-13250

10

BOLT Was 01802-02265

11

6637167

NUT

Выбрано товаров: 12