Запчасти Bobcat Бульдозеры DOZER (80 232111101 - 12928, 6991) Loader

Схема запчастей Bobcat Бульдозеры - DOZER (80 232111101 - 12928, 6991) Loader
FIT
1:1
100%

Артикул

Название

Примечание

Количество

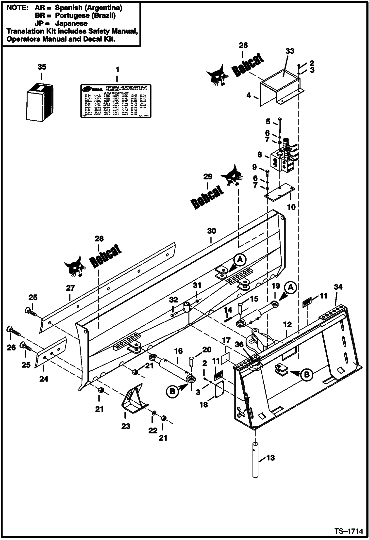
1

DECAL NLA - patent - Was 6557224 - C

2

17C416

BOLT

3

4E4

WASHER

4

6674409

VALVE COVER

5

17C580

BOLT

6

4E5

WASHER

7

25E16

WSHR

8

6674417

VALVE See Illustration DOZER/ TS1715

9

17C516

BOLT

10

6674412

VALVE PLATE

11

6657354

DECAL keep guards in place

12

MAIN FRAME NLA - Order 6905407, 6905395 & 6905871 - Was 6674430 - A

12

6905407

MAIN FRAME

13

6674410

PIVOT PIN 12.00'' long

13

6905395

PIVOT PIN 14.20'' long

14

1F632

PIN

15

6674413

PIN

16

6674426

CYLINDER See Illustration DOZER/ TS1717 ANGLE

17

6673605

DECAL avoid injury

18

6674411

PLATE access

19

6674427

CYLINDER See Illustration DOZER/ TS1716 TILT

20

6648596

PIN

21

85D10

NUT, 5 Was 6674416 - A

22

25E26

WASHER

23

6905540

GUIDE SHOE Was 6674429 - A

24

6674418

EDGE, CUTTING BOLT ON RH 12'' outer

25

39C1028

BOLT, PLOW Was 6648573 - A

26

39C1036

BOLT Was 6674424 - A

27

6674419

EDGE, CUTTING BOLT ON LH 56''

28

6727324

DECAL, LOGO BOBCAT AND HEAD Was 6567988 - B

29

6727323

DECAL, LOGO BOBCAT AND HEAD Was 6567987 - B

30

BLADE NLA - Order 6905871, 6905407 & 6905395

30

6905871

BLADE80''DOZER

31

59D5

NUT 5

32

17C540

BOLT

33

6664517

SAFETY TREAD cut to fit

34

6905263

STEP

35

6905558AR

KIT translation - SEE NOTE

35

6905558BR

KIT translation - SEE NOTE

35

6905559AR

KIT decal - SEE NOTE

35

6905559BR

KIT decal - SEE NOTE

35

6905559JP

KIT decal - SEE NOTE

36

6677561

BEARING weld on

Выбрано товаров: 43