Запчасти Bobcat Бульдозеры DOZER (90 231911101 - 12312) Loader

Схема запчастей Bobcat Бульдозеры - DOZER (90 231911101 - 12312) Loader
FIT
1:1
100%

Артикул

Название

Примечание

Количество

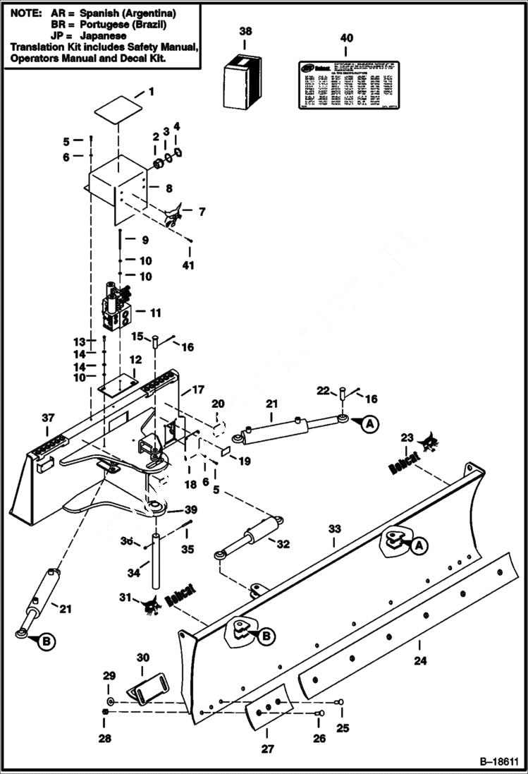
1

6905768

TREAD anti-skid

2

6667569

CONNECTOR, RECEPTACLE

3

6664037

WASHER

4

6664036

NUT

5

17C416

BOLT

6

4E4

WASHER

7

6700191

DECAL, LOGO BOBCAT HEAD

8

6905458

VALVE COVER

9

17C580

BOLT

10

4E5

WASHER

11

6674417

VALVE See Illustration DOZER/ TS1715

12

6674412

VALVE PLATE

13

17C516

BOLT

14

25E16

WSHR

15

6674413

PIN

16

1F632

PIN

17

6905407

MAIN FRAME

18

6674411

PLATE access

19

6657354

DECAL keep guards in place

20

6583862

DECAL, WARNING See Illustration DOZER/ NA6239A

20

7130132

DECAL, WARNING See Illustration DOZER/ NA6239A - no-text

21

6674426

CYLINDER See Illustration DOZER/ TS1717 ANGLE

22

6648596

PIN

23

6727324

DECAL, LOGO BOBCAT AND HEAD RH - Was 6567988 - B

24

6905187

EDGE, CUTTING BOLT ON BEVELED 66''

25

39C1036

BOLT Was 6674424 - A

26

39C1028

BOLT, PLOW Was 6648573 - A

27

6674418

EDGE, CUTTING BOLT ON RH 12'' outer

28

85D10

NUT, 5 Was 6674416 - A

29

25E26

WASHER

30

6905540

GUIDE SHOE

31

6727323

DECAL, LOGO BOBCAT AND HEAD LH - Was 6567987 - B

32

6674427

CYLINDER See Illustration DOZER/ TS1716 TILT

33

6905184

BLADE

34

6905395

PIVOT PIN

35

17C540

BOLT

36

59D5

NUT 5

37

6905263

STEP

38

6905558AR

KIT translation - SEE NOTE

38

6905558BR

KIT translation - SEE NOTE

38

6905559AR

KIT decal - SEE NOTE

38

6905559BR

KIT decal - SEE NOTE

38

6905559JP

KIT decal - SEE NOTE

39

6677561

BEARING weld on

40

DECAL NLA - patent - Was 6557224 - C

41

25G616

SCREW attaches ACD controller

Выбрано товаров: 46