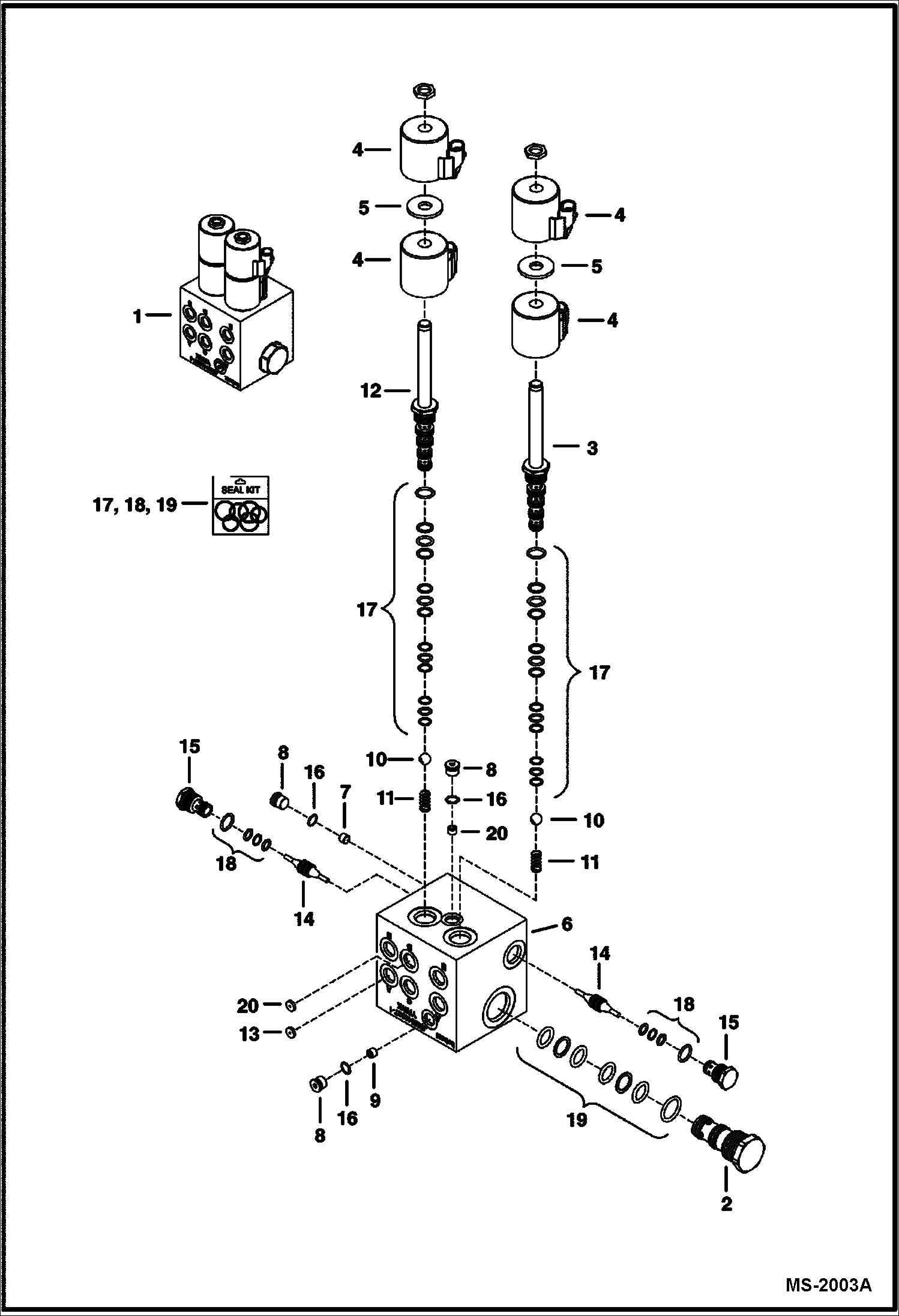
Запчасти Bobcat Бульдозеры DOZER (Control Valve) (68 224300150 & Above) (80 232112929 & Above) (90 231912313 & Above) Loader

Схема запчастей Bobcat Бульдозеры - DOZER (Control Valve) (68 224300150 & Above) (80 232112929 & Above) (90 231912313 & Above) Loader
FIT
1:1
100%

Артикул

Название

Примечание

Количество

1

6686391

VALVE ASSY W/Ref. 2-20

2

6686943

ELEMENT logic

3

6682158

SPOOL directional

4

6686944

COIL

5

6686945

SPACER

6

BLOCK NSS - Order Ref. 1

7

6686946

ORIFICE 0.078 dia.

8

6665719

PLUG W/Ref. 16 - A

9

6669615

ORIFICE 0.020 dia. - Was 6664029 - A

10

6682157

BALL .438'' - Was 6682480 - A

11

6680960

SPRING Was 6686395 - A

12

6686947

CONTROL VALVE directional

13

6686948

DISK orifice - 0.050 dia.

14

6673990

PISTON, VALVE double pilot - Was 6664028 - A

15

6669728

VALVE, CHECK

16

O RING 10 NSS - Order Ref. 8 - Was 79K4 - B,D

17

6682159

SEAL KIT

18

6672515

KIT, SEAL

19

6676314

SEAL KIT

20

6675188

ORIFICE 0.080 dia.

Выбрано товаров: 20