Запчасти Bobcat Бульдозеры DOZER (Blade & Hydraulics) (96 2244) Loader

Схема запчастей Bobcat Бульдозеры - DOZER (Blade & Hydraulics) (96 2244) Loader
FIT
1:1
100%

Артикул

Название

Примечание

Количество

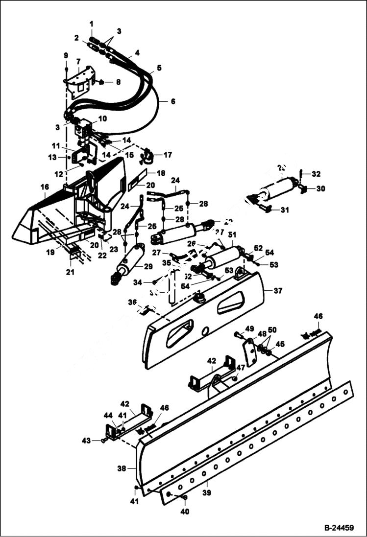
1

6672960

COUPLER, FF FEMALE straight

2

6674688

COUPLER, FF MALE straight

3

15KB1212

FITTING, HYD CONNECTOR

4

7106690

HOSE

5

7105978

HOSE

6

6725385

HARNESS 7-pin

7

7105783

MOUNT, VALVE

8

6675128

CAP

9

35C612

BOLT

10

6686391

VALVE ASSY See Illustration DOZER/ MS2003

11

6678677

CONTROLLER, ACD BASE

12

35C616

BOLT 5

13

59D6

NUT

14

18KB0606

FITTING, HYD ELBOW

15

15KB0606

FITTING, HYD CONNECTOR

16

6686666

BOBTACH

17

6725234

HARNESS ACD to valve

18

6701391

DECAL, EXIT See Illustration DOZER/ NA6224

18

7130141

DECAL, EXIT See Illustration DOZER/ NA6224 - no-text

19

6594488

DECAL, WARNING enter or exit this side only

20

7105980

DECAL, WARNING See Illustration DOZER/ NA6224

20

7130157

DECAL, WARNING See Illustration DOZER/ NA6224 - no-text

21

DECAL NLA - patent - Was 6557224 - C

22

6686670

DECAL grease

23

11H15

GREASE FITTING

24

7105976

HOSE

25

7105977

HOSE

26

7105785

HOSE

27

7105975

HOSE

28

15KB0608

FITTING, HYD CONNECTOR

29

CYLINDER ASSY See Illustration DOZER/ B24460 NLA - Order Ref. 51 - Was 6686675 - A

30

6686676

PIN cylinder

31

6686677

PIN cylinder

32

6648587

PIN, SNAP

33

6686668

PIN pivot

34

17C1264

BOLT

35

85D12

NUT, 5

36

7105979

DECAL, WARNING See Illustration DOZER/ NA6224 - pinch

36

7130156

DECAL, WARNING See Illustration DOZER/ NA6224 - pinch

37

6686667

FRAME pivot

38

6686671

MOLDBOARD

39

6686672

CUTTING EDGE

40

39C1028

BOLT, PLOW

41

87D10

NUT

42

6686674

SKID SHOE

43

37C1032

BOLT

44

25E25

WASHER 10

45

61D16

LCKNUT

46

6727324

DECAL, LOGO BOBCAT AND HEAD

47

6686669

BUSHING

48

6686673

PLATE tilt

49

17C1640

BOLT

50

25E31

WASHER

51

7001939

KIT, CYL W/PINS See Illustration DOZER/ B23909 Ref. 52-54

52

7001940

PIN

53

35C612

BOLT

54

7001941

SPACER

Выбрано товаров: 57