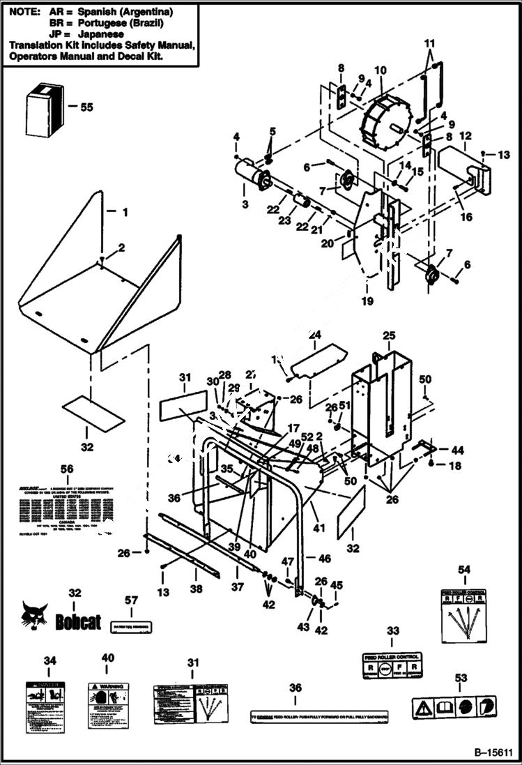
Запчасти Bobcat CHIPPER 5A CHIPPER Chute & Roller Assembly Loader

Схема запчастей Bobcat CHIPPER - 5A CHIPPER Chute & Roller Assembly Loader
FIT
1:1
100%

Артикул

Название

Примечание

Количество

1

6675447

TRAY

2

6674532

BOLT

3

6675267

MOTOR See Illustration 5A CHIPPER/ B18570 FEED ROLLER

4

85D8

NUT, 5

5

6674504

ADAPTER

6

17C828

BOLT

7

6674525

BEARING

8

6675457

BEARING

9

6675458

SPACER

10

6675443

ROLLER

11

6674491

HOSE

12

6675456

COVER

13

6674510

BOLT

14

25E21

WASHER 5

15

17C832

BOLT

16

84G3716

SCREW 5

17

59D4

NUT 5

18

6675425

BOLT

19

6675442

FRAME

20

6675433

WEAR PAD

21

6674461

SPACER

22

7J4200

KEY

23

6674526

COUPLER

24

6675444

COVER

25

6675459

FRAME

26

6674506

NUT

27

6674460

CONSOLE ASSY See Illustration 5A CHIPPER/ B15648

28

6674530

SPACER

29

25E15

WASHER

30

59D5

NUT 5

31

6717964

DECAL, INSTRUCTIONS

32

6729098

DECAL 424 mm (16.7'') x 195 mm (7.7'')

32

6735900

DECAL, LOGO BOBCAT AND HEAD logo - 622 mm (24.5'') x 178 mm (7'')

33

6717966

DECAL

34

6717410

DECAL, DANGER

35

6675429

BOLT

36

6717670

DECAL, INSTRUCTIONS roller

37

6675445

PIVOT

38

6675440

HINGE

39

17C516

BOLT

40

6717413

DECAL, WARNING

41

6675438

CHUTE

42

25E25

WASHER 10

43

6674528

FLANGE

44

6675437

BRACKET

45

1F416

PIN

46

6675446

ARM

47

6675429

BOLT

48

6674507

BOLT

49

25E14

WSHR

50

10C616

BOLT 10 carriage

51

6674529

CLAMP

52

6674505

STRAP

53

6717965

DECAL, WARNING

54

6717967

DECAL, CONTROL

55

6719136AR

KIT translation - SEE NOTE

55

6719136BR

KIT translation - SEE NOTE

55

6719137AR

KIT decal - SEE NOTE

55

6719137BR

KIT decal - SEE NOTE

55

6719137JP

KIT decal - SEE NOTE

56

DECAL NLA - patent - Was 6557224 - C

57

DECAL PATENT PEND NLA - Was 6810666 - C

Выбрано товаров: 62