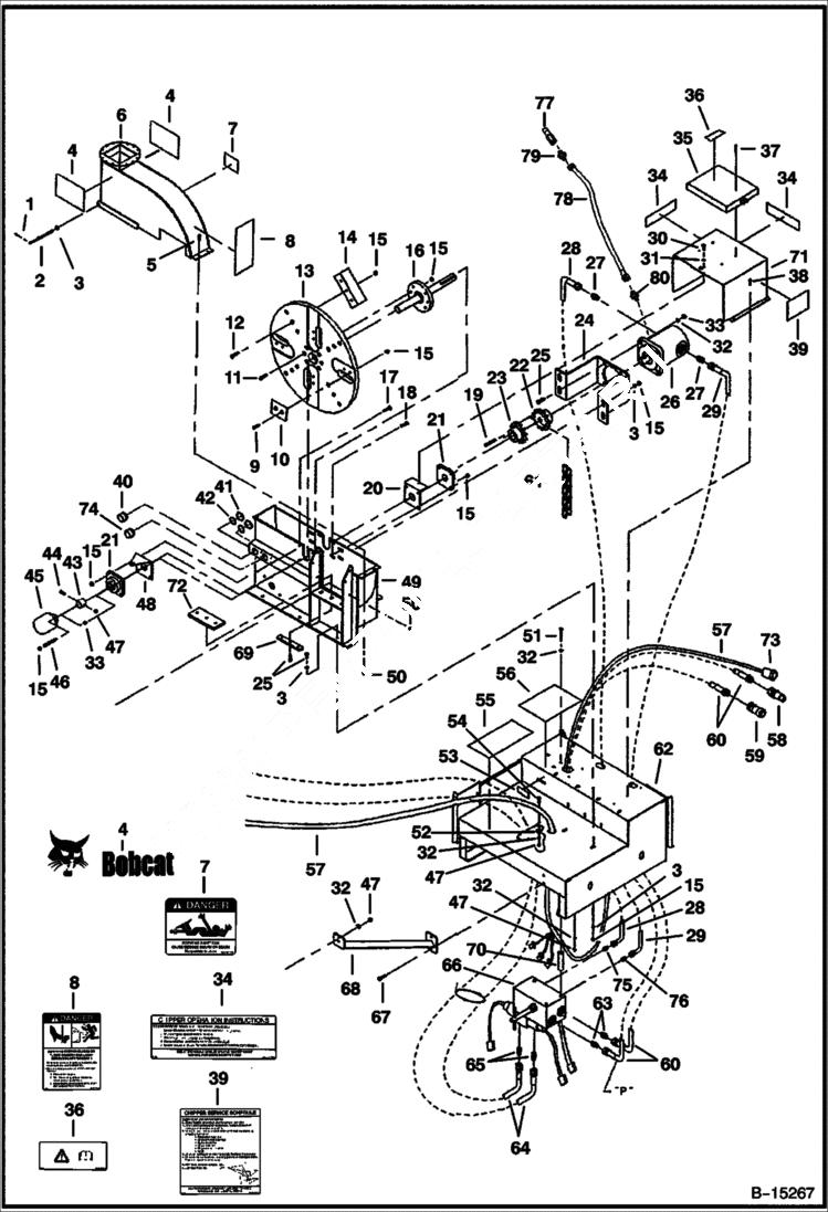
Запчасти Bobcat CHIPPER 8A CHIPPER Main Frame & Cutter Assembly Loader

Схема запчастей Bobcat CHIPPER - 8A CHIPPER Main Frame & Cutter Assembly Loader
FIT
1:1
100%

Артикул

Название

Примечание

Количество

1

1F416

PIN

2

6674473

SHAFT

3

25E21

WASHER 5

4

6729098

DECAL 424 mm (16.7'') x 195 mm (7.7'') - Was 6703645 - B,D

5

6674510

BOLT

6

6674467

CAMSHAFT

7

6715361

DECAL, DANGER See Illustration CHIPPER/ NA6251 - rotating shaft

7

7214475

DECAL, DANGER See Illustration CHIPPER/ NA6251 - no-text

8

6717411

DECAL, DANGER

9

6674514

BOLT

10

6674463

BLADE

11

17C840

BOLT

12

17C832

BOLT

13

6674462

DISK

14

6674464

MOUNT

15

85D8

NUT, 5

16

6674483

SHAFT

17

6674508

BOLT carriage

18

10C1032

BOLT carriage

19

7J5200

KEY

20

6674472

BRACKET

21

6674516

BEARING

22

6674495

SPROCKET

23

6674496

SPROCKET

24

6674482

MOUNT

25

17C824

BOLT 5

26

6674499

MOTOR See Illustration 8A CHIPPER/ B15615 CUTTER

27

6674500

ADAPTER

28

6674493

HOSE

29

6674494

HOSE

30

17C512

BOLT 5

31

25E15

WASHER

32

25E17

WASHER 5

33

61D8

NUT 5

34

6717647

DECAL, INSTRUCTIONS chipper operation

35

6675615

BOX Was 6708827 - B

36

6717648

DECAL, BOX MANUAL

37

6674512

RIVET

38

84G3716

SCREW 5

39

6717409

DECAL, SERVICE

40

6673680

RECEPTACLE, TWIST-LOC for 14-pin

41

6664036

NUT

42

6664037

WASHER

43

6674468

COLLAR

44

17C640

BOLT 5

45

6674515

CAP

46

6674511

STUD

47

59D6

NUT

48

6674466

BRACKET

49

6674484

HOUSING

50

6674506

NUT

51

17C664

BOLT

52

6674531

BRACKET

53

6717407

DECAL, SPEED FEED ROLLER

54

10C624

BOLT carriage

55

6674501

SAFETY TREAD

56

6674502

SAFETY TREAD

57

HARNESS See Illustration 8A CHIPPER/ B18571 See Illustration 8A CHIPPER/ B15269

58

6674688

COUPLER, FF MALE straight - Was 6667808 - A

59

6672960

COUPLER, FF FEMALE straight

60

6674492

HOSE

61

6674497

CHAIN

62

6674487

HOUSING

63

6674527

ADAPTER

64

6674491

HOSE

65

6674503

ADAPTER

66

6673998

VALVE ASSY See Illustration 8A CHIPPER/ B15295

67

17C620

BOLT

68

6674485

BRACKET

69

6674481

SPACER

70

6674489

SPACER

71

6674486

COVER

72

6674465

PLATE anvil

73

6673118

PLUG

74

6675420

CAP PLUG for 7-pin

75

6674527

ADAPTER straight

75

6675419

ELBOW 90 degrees

76

6674527

ADAPTER straight

76

6675430

ELBOW 90 degrees

77

6667805

COUPLER, FF FEMALE straight

78

6686597

HOSE case drain - Was 6685849 - A

79

15KB0608

FITTING, HYD CONNECTOR

80

17KB0604

ELBOW UNION 90 degrees

Выбрано товаров: 83