Запчасти Bobcat CHIPPER 8A CHIPPER Valve Assemby Loader

Схема запчастей Bobcat CHIPPER - 8A CHIPPER Valve Assemby Loader
FIT
1:1
100%

Артикул

Название

Примечание

Количество

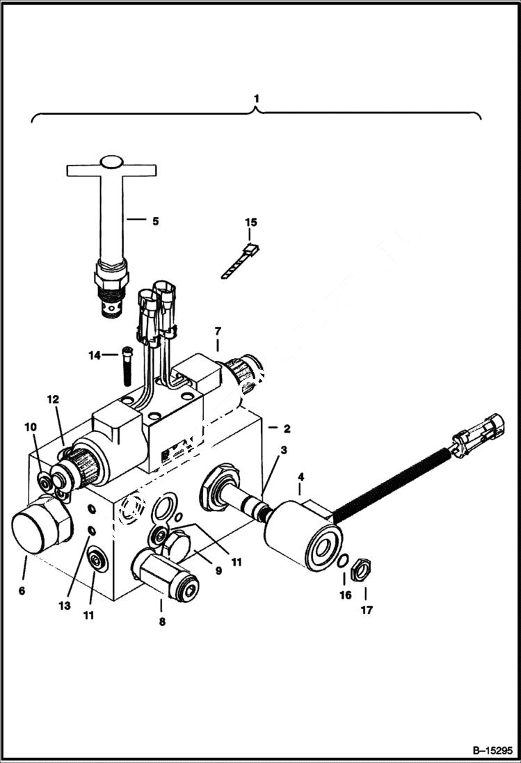
1

6673998

VALVE ASSY W/Ref. 2 - 17

2

6674555

BLOCK

3

6674554

VALVE

3

6674558

SEAL KIT

4

6671026

COIL

5

6674553

VALVE

5

6674557

KIT, SEAL

6

6674552

COMPENSATOR

6

6674556

SEAL KIT

7

6674551

VALVE

8

6674550

RELIEF VALVE

8

6673213

KIT, SEAL Was 6664032 - A

9

6674549

CHECK VALVE

9

6673213

KIT, SEAL Was 6664032 - A

10

6665719

PLUG #4

10

O RING 10 NSS - Order 6665719 Plug - Was 79K4 - B,D

11

6669620

PLUG #6

11

O RING 10 NSS - Order 6669620 Plug - Was 79K6 - B,D

12

6674548

PLUG #8

12

79K8

O RING 10

12

ORIFICE NLA - 0.312 - replaceable orifice is not used - orifice is built into valve block - Was 6674546 - A

13

6674547

PLUG expander

14

6674545

BOLT

15

CABLE TIE NLA - red - Was 6674544 - A

15

6673982

CABLE TIE green

15

6673981

CABLE TIE blue

16

6669076

O-RING

17

6668820

NUT

Выбрано товаров: 28