Запчасти Bobcat CLAMPS CLAMP (335,435) Экскаваторы

Схема запчастей Bobcat CLAMPS - CLAMP (335,435) Экскаваторы
FIT
1:1
100%

Артикул

Название

Примечание

Количество

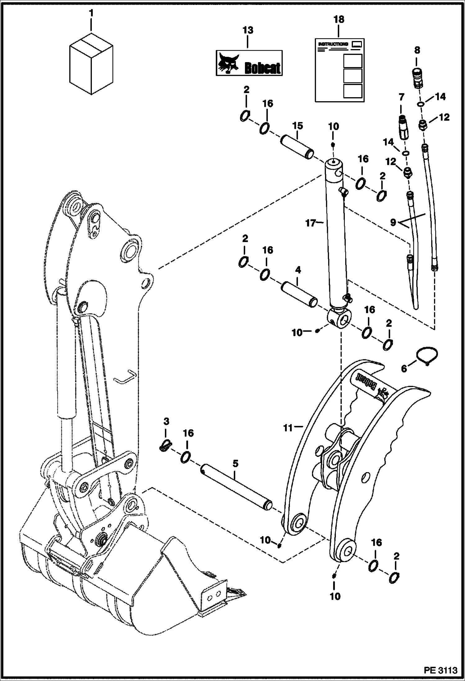
1

KIT SALES - Clamp - W/Refs. 2-18 - for long arm option Also Order (2) hose extensions 6808278 - SALES #7131931 - Was 6816685

2

6668787

RING

3

6668928

LOCK PIN Retaining - Lock Ring

4

6628002

PIN

5

6713961

PIN, THUMB

6

6624289

STRAP, TIE

7

6674688

COUPLER, FF MALE straight

8

6672960

COUPLER, FF FEMALE straight

9

6808277

HOSE 52'' (1320,8 mm) long

9

6808278

HOSE 18'' hose extension - for long arm option only - not included with Clamp Kit Ref. 1 - must be ordered separately

10

10H25

FITTING, GREASE 5

11

7131721

CLAMP Was 6816810 - A

12

15KB0812

FITTING, HYD CONNECTOR W/Ref. 14

13

7109473

DECAL, LOGO BOBCAT AND HEAD Was 6727324 - B

14

79K12

O RING 10

15

6818026

PIN

16

6628547

WASHER

17

CYLINDER See Illustration CLAMP/ PE3469

18

6900367

INSTRUCTIONS

Выбрано товаров: 0