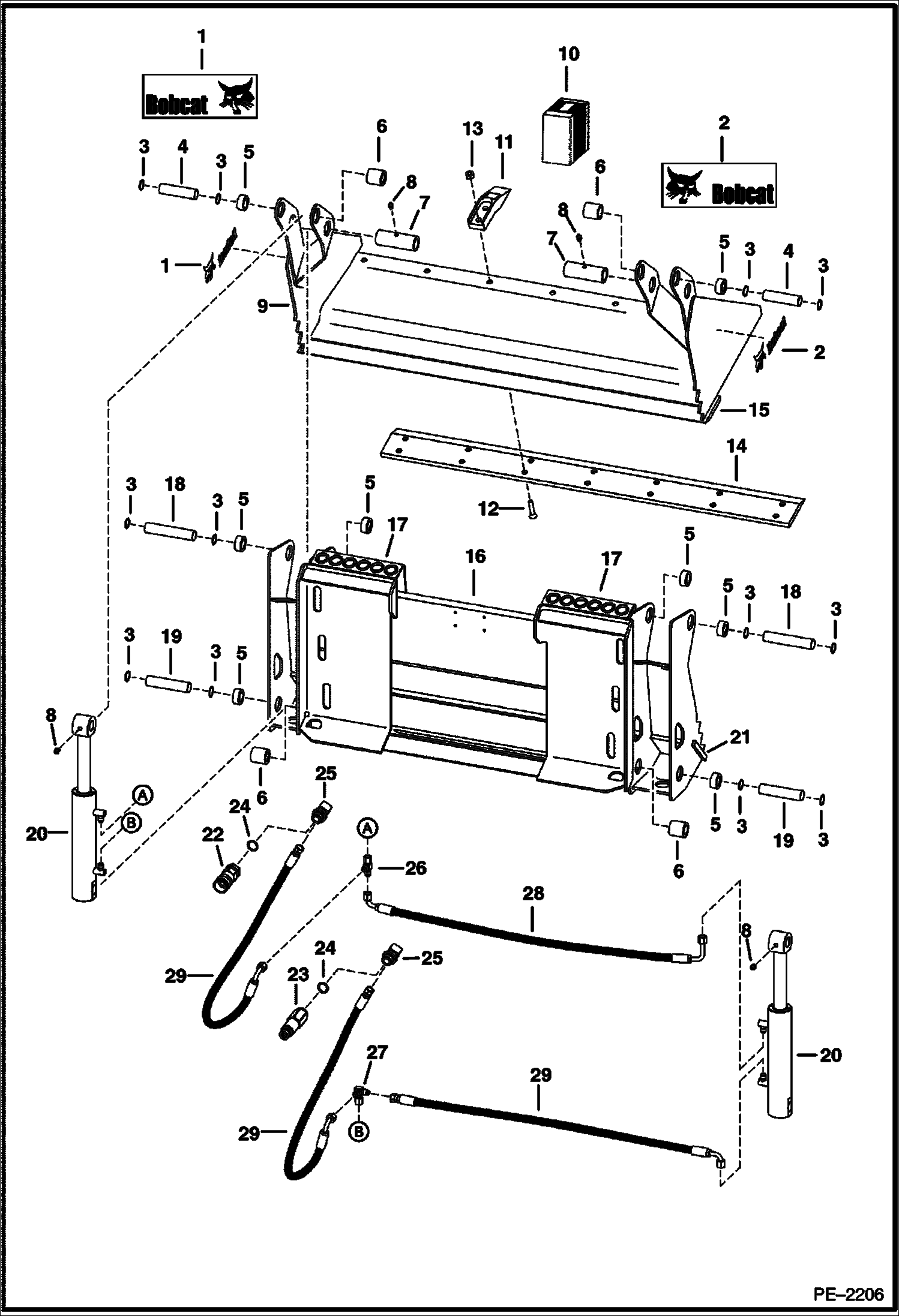
Запчасти Bobcat COMBINATION BUCKET 44 COMBINATION BUCKET SN 0300 00210 & Below Loader

Схема запчастей Bobcat COMBINATION BUCKET - 44 COMBINATION BUCKET SN 0300 00210 & Below Loader
FIT
1:1
100%

Артикул

Название

Примечание

Количество

1

6727323

DECAL, LOGO BOBCAT AND HEAD

2

6727324

DECAL, LOGO BOBCAT AND HEAD

3

23J16

SNAP RING Was 7101168 - A

4

6816834

PIN

5

6816830

BUSHING weld on

6

6816831

BUSHING weld on

7

6816832

BUSHING weld on

8

10H25

FITTING, GREASE 5

9

BUCKET NLA - front - Was 6815553 - A

10

6728247

KIT, TOOTH BUCKET 7 contains qty. 7 of Ref. 11, qty. 14 each of Ref. 12 & 13

11

TOOTH NSS - order Ref. 10

12

9G828

BOLT

13

97D8

NUT

14

6817986

EDGE, CUTTING BOLT ON 44.50'' front - weld on

15

6815558

CUTTING EDGE rear

16

6815547

BUCKET rear

17

6737239

STEP

18

6816835

PIN

19

6816836

PIN

20

7101162

CYLINDER See Illustration CYLINDER/ B14357A

21

6815551

CUTTING EDGE for rear bucket

22

6672960

COUPLER, FF FEMALE straight

23

6674688

COUPLER, FF MALE straight

24

79K12

O RING 10

25

6589193

ELBOW

26

13K5

TEE

27

7101280

ELBOW

28

7101187

HOSE

29

6812501

HOSE

Выбрано товаров: 29