Запчасти Bobcat COMBINATION BUCKET COMBINATION BUCKET 66 (1676,4mm) - S/N 431200425 & 413400231 & Below Loader

Схема запчастей Bobcat COMBINATION BUCKET - COMBINATION BUCKET 66 (1676,4mm) - S/N 431200425 & 413400231 & Below Loader
FIT
1:1
100%

Артикул

Название

Примечание

Количество

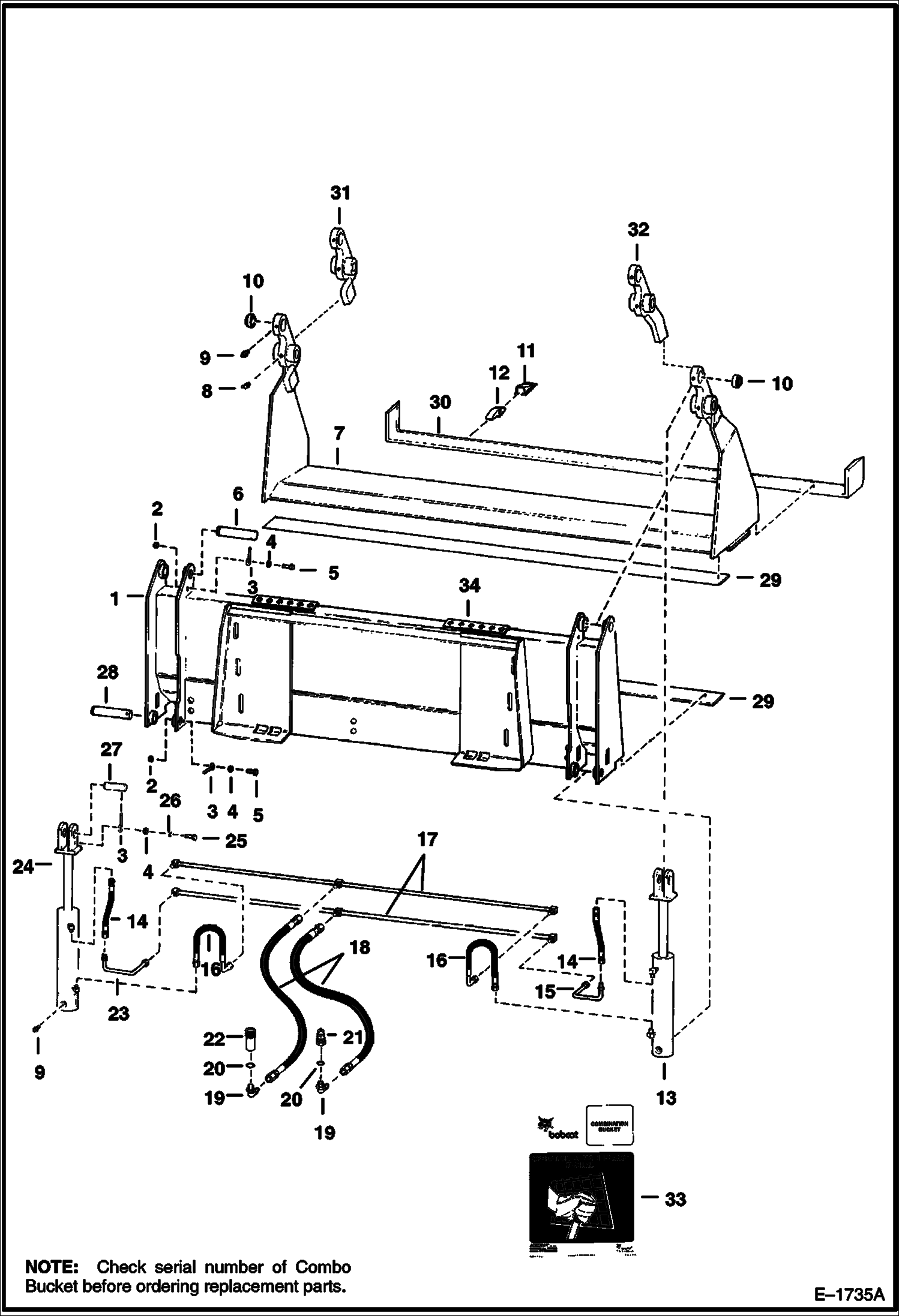
1

6594136

FRAME

2

85D5

NUT 5

3

6554414

PIN

4

25E15

WASHER

5

17C520

BOLT 5

6

6594323

PIN Was 3640380B - A

7

6594146

CLAMSHELL W/Teeth

7

6594314

CLAMSHELL W/O Teeth

8

12H15

FITTING, GREASE 5

9

10H25

FITTING, GREASE 5

10

665199

BEARING

11

1550017

TOOTH, BUCKET 25 pin on

11

TOOTH 25 NLA - clamp on - Order 1550017 tooth - Was 6682026 - A

12

6599640

SHANK Weld On

13

CYLINDER See Illustration CYLINDER/ B12549 See Illustration CYLINDER/ B9715 NLA - R.H. - Was 6594173 - A

14

1304240

HYD HOSE

15

3640381

TUBE

16

3640383

HOSE

17

3640438

TUBE

18

2501597

HOSE ASSY

19

1300913

ELBOW Use with poppet couplers

19

6589193

ELBOW Use with flush face couplers

20

79K10

O RING 10 Use with poppet couplers

20

79K12

O RING 10 Use with flush face couplers

21

6598757

COUPLER, POPPET MALE straight

21

6674688

COUPLER, FF MALE straight - Was 6667808 - A

21

6679841

SEAL Was 6672026 - A

22

6598758

COUPLER, POPPET FEMALE straight

22

6672960

COUPLER, FF FEMALE straight - Was 6667807 - A

22

48K16

O RING 10 Use with poppet coupler

23

3640382

TUBE

24

CYLINDER See Illustration CYLINDER/ B12549 See Illustration CYLINDER/ B9715 NLA - L.H. - Was 6594185 - A

25

17C516

BOLT

26

4E5

WASHER

27

6529336

PIN Was 3640379B - A

28

6594321

PIN Was 3640378B - A

29

3640440

EDGE, CUTTING WELD ON BEVELED 66.87'' Weld On

30

6578995

CUTTING EDGE Weld On - Was 6564161 - A

31

6594668

BRACKET L.H.

32

6594670

BRACKET R.H.

33

6570493

MANUAL operators

34

6569838

STEP

Выбрано товаров: 42