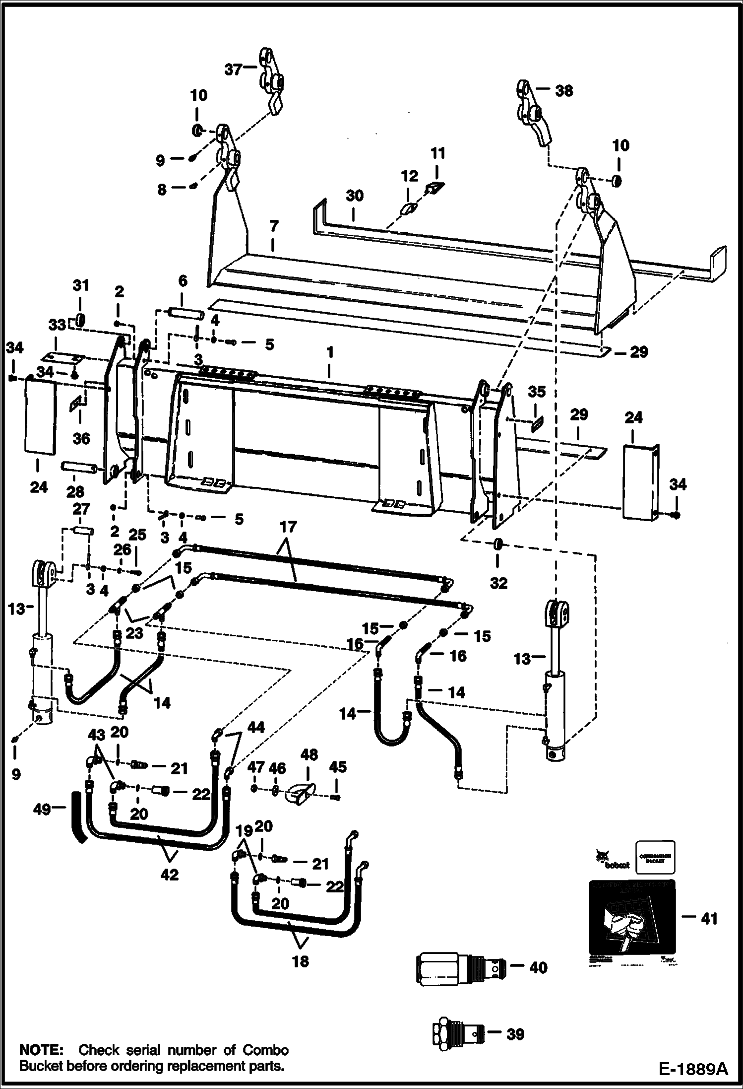
Запчасти Bobcat COMBINATION BUCKET COMBINATION BUCKET 66 (1676,4mm) - S/N 431200426 & 413400232 Thru 431202000 & 413402000 Loader

Схема запчастей Bobcat COMBINATION BUCKET - COMBINATION BUCKET 66 (1676,4mm) - S/N 431200426 & 413400232 Thru 431202000 & 413402000 Loader
FIT
1:1
100%

Артикул

Название

Примечание

Количество

1

6531602

FRAME

2

85D5

NUT 5

3

6554414

PIN

4

25E15

WASHER

5

17C520

BOLT 5

6

6594323

PIN

7

6594146

CLAMSHELL W/Teeth

7

6594314

CLAMSHELL W/O Teeth

8

12H15

FITTING, GREASE 5

9

10H25

FITTING, GREASE 5

10

665199

BEARING

11

1550017

TOOTH, BUCKET 25 pin on

11

TOOTH 25 NLA - clamp on - Order 1550017 tooth - Was 6682026 - A

12

6599640

SHANK Weld On

13

6531599

CYLINDER See Illustration CYLINDER/ B12549 See Illustration CYLINDER/ B9715

14

6531606

HOSE

15

86F5

NUT Was 86F000004B

16

88F5

ELBOW Was 88F000004B - A

17

6531596

HOSE

18

6531594

HOSE

19

17K7

ELBOW Use with poppet couplers

19

17KB1012

FITTING, HYD ELBOW Use with flush face couplers - Was 1302104B - A

20

79K10

O RING 10 Use with poppet couplers

20

79K12

O RING 10 Use with flush face couplers

21

6598757

COUPLER, POPPET MALE straight

21

6674688

COUPLER, FF MALE straight - Was 6667808 - A

21

6679841

SEAL Was 6672026 - A

22

6598758

COUPLER, POPPET FEMALE straight

22

6672960

COUPLER, FF FEMALE straight - Was 6667807 - A

22

48K16

O RING 10 Use with poppet coupler

23

91K5

TEE Was 91KN00005B - A

23

97K6

O RING

24

6531483

COVER

25

17C516

BOLT

26

4E5

WASHER

27

6529336

PIN

28

6594321

PIN

29

3640440

EDGE, CUTTING WELD ON BEVELED 66.87'' Weld On

30

6578995

CUTTING EDGE Weld On - Was 6564161 - A

31

6594671

BUSHING Weld on

32

6594672

BUSHING Weld on

33

6531485

PLATE

34

84G3110

SCREW

35

6567988

DECAL, LOGO BOBCAT AND HEAD

36

6567987

DECAL, LOGO BOBCAT AND HEAD

37

6594668

BRACKET L.H.

38

6594670

BRACKET R.H.

39

6514641

RELIEF VALVE Use in Cessna Valve

40

6684679

RELIEF VALVE Use in Bobcat Valve & Diverter - Was 6666931 - A

40

6658127

RELIEF VALVE Diverter Valve

41

6570493

MANUAL operators

42

6700215

HOSE

43

1300913

ELBOW Use with poppet couplers

43

6589193

ELBOW Use with flush face couplers

44

11K5

FITTING

45

7C664

BOLT

46

25E17

WASHER 5

47

85D6

NUT, 5

48

6706160

GUIDE

49

HOSE COVER NLA - 39'' (990,6mm) long - Order 6649389

49

6656155

HOSE COVER Bulk - Sold Per Foot - Was 6649389 - B

Выбрано товаров: 61