Запчасти Bobcat COMBINATION BUCKET COMBINATION BUCKET 80 LP & 84 LP - S/N 0278 & 0280 Loader

Схема запчастей Bobcat COMBINATION BUCKET - COMBINATION BUCKET 80 LP & 84 LP - S/N 0278 & 0280 Loader
FIT
1:1
100%

Артикул

Название

Примечание

Количество

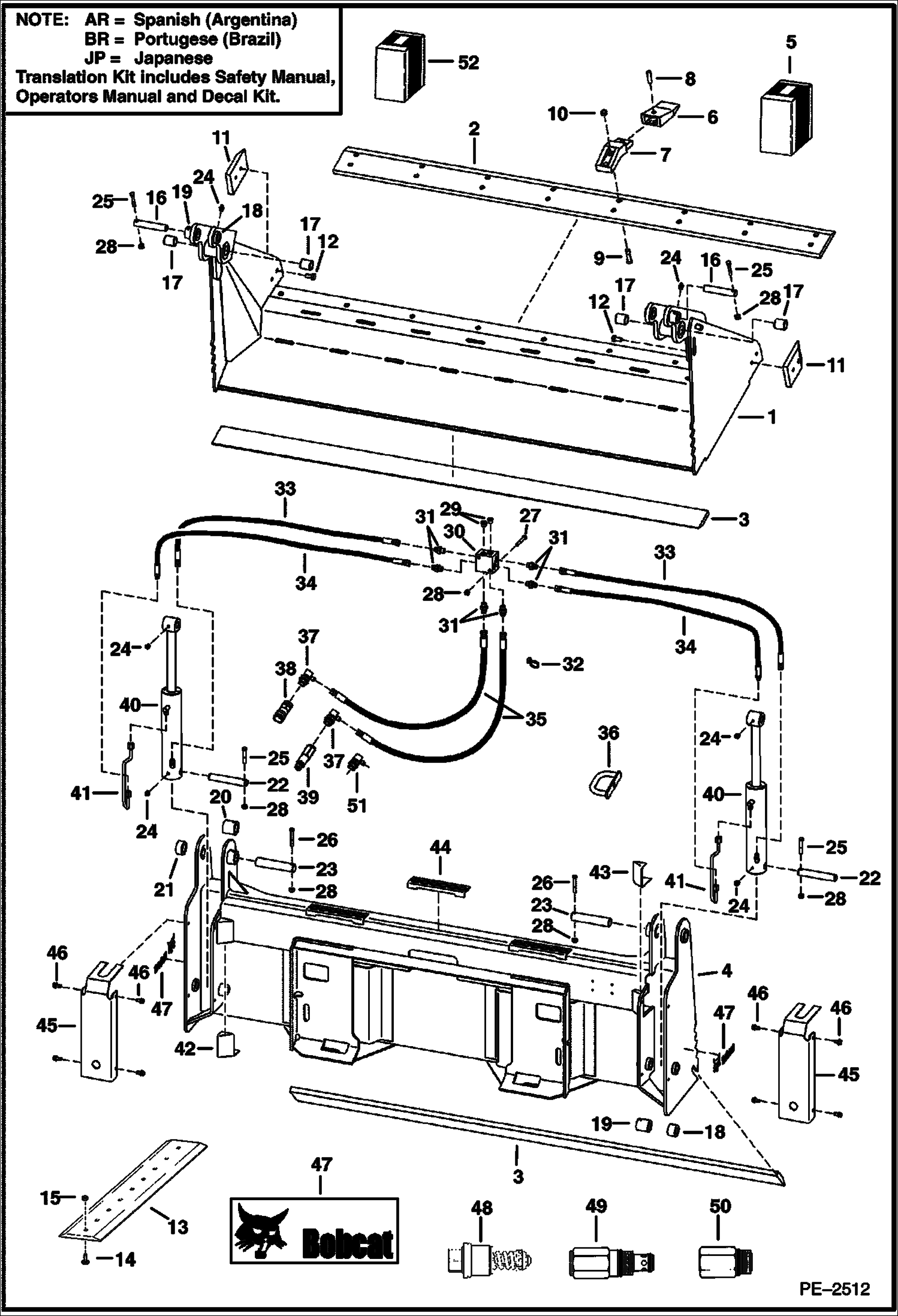
1

7105054

BUCKET, 80'' Front - 80''

1

7107917

BUCKET Front - 84''

2

6729370

EDGE, CUTTING WELD-ON 80'' front

2

6807717

EDGE, CUTTING FRONT WELD-ON 84'' Front - weld on - 84''

3

7105053

EDGE, CUTTING WELD ON BEVELED 80'' weld on - 80''

3

6807718

EDGE, CUTTING WELD ON BEVELED 84.75'' weld on - 84''

4

7105049

BUCKET rear - 80''

4

7107916

BUCKET rear - 84''

5

6737322

KIT, TOOTH BUCKET 8 8 tooth - W/Ref. 6-10 - Was 6732465 - A

5

KIT NLA - 48 tooth - Order 6737322 - Was 6680599 - A

6

6737325

TOOTH, BUCKET 10 See BTI376 - 140 mm (5.5'') long - std W/Ref. 5 - (8) for 80'', (9) for 84'' - Was 6728801 - A

6

7102097

TOOTH, WIDE 4 See BTI376 - 140 mm (5.5'') long x 114,3 mm (4.5'') wide - Used on corners of bucket - not in kit - Was 6728811 - A

7

SHANK NSS - Order Ref. 5

8

14J3732

PIN, STRAIGHT 5 See BTI376 - (8) for 80'', (9) for 84''

8

6737326

PIN, FLEX BUCKET TOOTH See BTI376 - (8) for 80'', (9) for 84''

9

6729510

BOLT qty. 16 for 80'', qty. 18 for 84''

10

57D10

NUT qty. 16 for 80'', qty. 18 for 84''

11

6729084

KIT, EDGE CUTTING side edge - with qty. 2 of 6719407 edge & qty. 4 of 17C-816 BOLT

11

6719407

EDGE, CUTTING BOLT-ON 4'' one edge only

12

17C816

BOLT

13

6718008

EDGE, CUTTING BOLT-ON 80''

13

6807069

EDGE, CUTTING BOLT ON BEVELED REV 84.75'' bolt on - 84''

14

39C1032

BOLT qty. 8 for 80'', qty. 9 for 84''

15

85D10

NUT, 5 qty. 8 for 80'', qty. 9 for 84''

16

6705863

PIN

17

6562067

BUSHING press-in

18

6533176

BUSHING weld-on

19

6705876

BUSHING weld-on

20

6624872

BUSHING weld-on

21

6705866

BUSHING weld-on

22

6705861

PIN

23

6705862

PIN

24

10H25

FITTING, GREASE 5

25

17C636

BOLT

26

17C640

BOLT 5

27

17C644

BOLT

28

85D6

NUT, 5 Was 87D000006B - A

29

90K5

PLUG

30

6806339

BLOCK, PORT

31

15KB0606

FITTING, HYD CONNECTOR

32

6624289

STRAP, TIE

33

6711670

HOSE for 80'' Combo Bucket - 46'' long - Was 6708339 - A

33

6800261

HOSE for 84'' Combo Bucket - 48'' long

34

7109794

HOSE for 80'' Combo Bucket - 46'' long

34

7109795

HOSE for 84'' Combo Bucket - 48'' long

35

6731073

HOSE 80'' & 84''

36

6706160

GUIDE

37

6589193

ELBOW

38

6672960

COUPLER, FF FEMALE straight

39

6674688

COUPLER, FF MALE straight

40

CYLINDER See Illustration CYLINDER/ B18236

41

6808138

TUBELINE

42

6814226

BRACE L.H.

43

6814207

BRACE R.H.

44

6569838

STEP

45

7106794

COVER

46

84G3712

BOLT 5

47

6727324

DECAL, LOGO BOBCAT AND HEAD

48

6684645

VALVE, ANTI CAV 3500 psi - used with D series valve - Was 6687148 - B

49

6684679

RELIEF VALVE 3100 psi

49

6678574

RELIEF VALVE 3500 psi - for F-series and newer loaders

50

6672503

VALVE restrictor - installs on cylinder rod end

51

6678056

ELBOW with .070'' orifice

52

6809377AR

KIT translation - see note

52

6809377BR

KIT translation - see note

Выбрано товаров: 65