Запчасти Bobcat CONCRETE MIXER CONCRETE MIXER (6785) (A016) Loader

Схема запчастей Bobcat CONCRETE MIXER - CONCRETE MIXER (6785) (A016) Loader
FIT
1:1
100%

Артикул

Название

Примечание

Количество

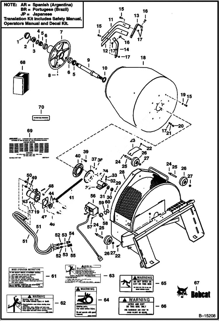
1

6673774

CAP

2

1F632

PIN

3

6D18

NUT CASTL

4

6673771

WASHER

5

6673775

BEARING

6

6673776

RACE

7

6673777

HUB

8

16F2

PLUG pipe - Was 6673783 - A

9

6673770

SHAFT

10

6673781

SEAL

11

6673765

BLADE bottom

12

6673766

BLADE top

13

6673767

BRACE rear

14

6673768

BRACE front

15

17C820

BOLT

16

7C820

BOLT carriage

17

61D8

NUT 5

18

6673778

DRUM

18

6688665

DRUM

19

4E8

WASHER

20

25G816

BOLT

21

25E21

WASHER 5

22

84G3112

BOLT 5

23

6673763

COVER

24

10H35

FITTING, GREASE 10

25

6673761

BOLT

26

6673779

WHEEL

27

59D10

NUT

28

6673787

FRAME ASSY

28

7113820

FRAME

29

10H25

FITTING, GREASE 5

30

60D16

NUT Was 6673772 - A

31

25E31

WASHER

32

55D6

NUT

33

17C620

BOLT

34

15G808

SET SCREW Was 6673773 - A

35

7184113

COLLAR, SHAFT Was 6673786 - A

36

17C612

BOLT 5

37

4E6

WASHER

38

6673762

SPROCKET

39

17C816

BOLT

40

6673764

MOUNT

41

6673785

CHAIN #50 - 98 links

42

6673475

LINK connector - #50

43

MOTOR ASSY See Illustration CONCRETE MIXER/ B15263 NLA - Order 6676584 motor - Was 6673784 - A

43

6676584

MOTOR HYD See Illustration CONCRETE MIXER/ B15263

44

15G404

SCREW SET

45

6673780

SPROCKET

46

31C828

BOLT

47

6673769

PLATE

48

5J808

KEY

49

79K8

O RING 10

50

6660066

ADAPTER

51

6673782

HOSE

52

15KB1012

FITTING, HYD CONNECTOR straight - Was 6673322 - A

52

17KB1012

FITTING, HYD ELBOW 90 degree

53

79K12

O RING 10

54

6674688

COUPLER, FF MALE straight - Was 6667808 - A

55

6672960

COUPLER, FF FEMALE straight

56

CONSOLE ASSY See Illustration CONCRETE MIXER/ B18575 See Illustration CONCRETE MIXER/ C3520

57

61G412

BOLT

58

6673242

RECEPTICAL

59

6664971

WASHER

60

6664972

NUT

61

6716427

DECAL mixer operation instruction

62

6716782

DECAL warning

63

6716428

DECAL warning/operation instruction

64

6716809

DECAL warning

65

6701391

DECAL, EXIT See Illustration CONCRETE MIXER/ NA6392

65

7130141

DECAL, EXIT See Illustration CONCRETE MIXER/ NA6392 - no-text

66

6594488

DECAL, WARNING warning - enter/exit this side

67

6727323

DECAL, LOGO BOBCAT AND HEAD Was 6567988 - B

68

6718677AR

KIT Translation - SEE NOTE

68

6718677BR

KIT Translation - SEE NOTE

68

6718678AR

KIT Decal - SEE NOTE

68

6718678BR

KIT Decal - SEE NOTE

68

6718678JP

KIT Decal - SEE NOTE

69

DECAL NLA - patent - Was 6557224 - C

70

DECAL PATENT PEND NLA - Was 6810666 - C

Выбрано товаров: 79