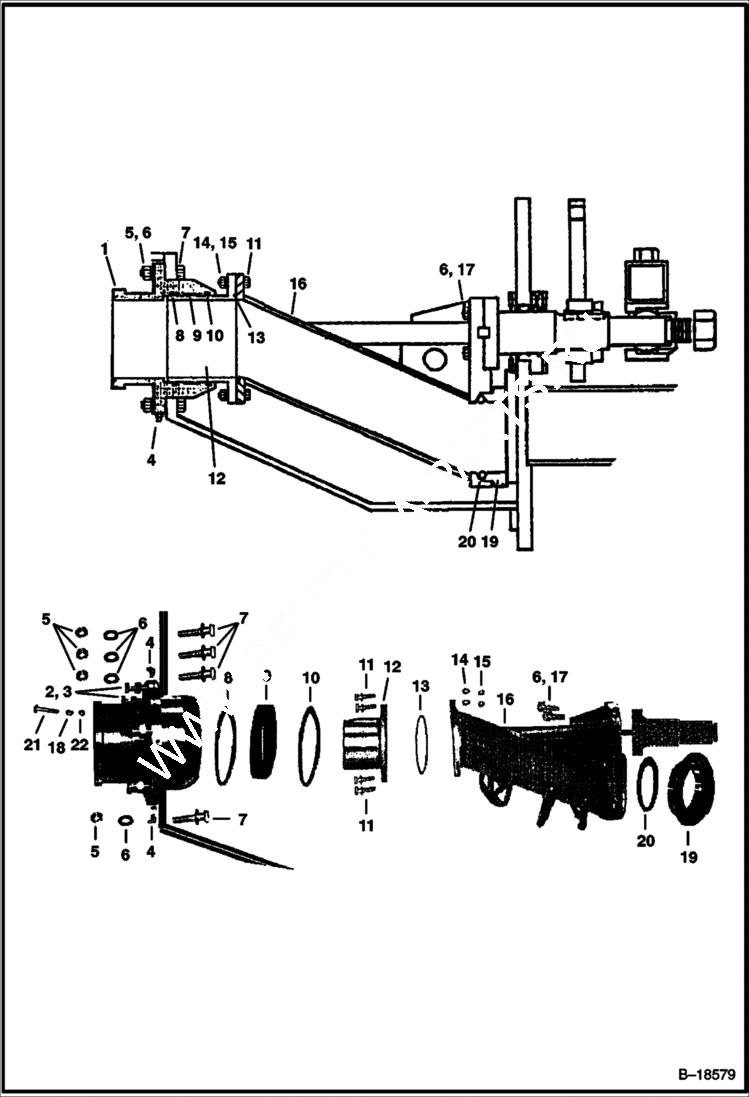
Запчасти Bobcat CONCRETE PUMP HOPPER OUTLET & SWING VALVE Concrete Pump - S/N Prefix 2331 Loader

Схема запчастей Bobcat CONCRETE PUMP - HOPPER OUTLET & SWING VALVE Concrete Pump - S/N Prefix 2331 Loader
FIT
1:1
100%

Артикул

Название

Примечание

Количество

1

6676250

HOUSING outlet

2

17C824

BOLT 5

3

61D8

NUT 5

4

11H25

FITTING10

5

59D8

NUT 5

6

28E8

WASHER

7

17C840

BOLT

8

6676251

SEAL U-cup

9

6676252

WEAR STRIP

10

6676253

O-RING

11

17C728

BOLT

12

6676254

FLANGE

13

25K40520

O-RING

14

27E7

WASHER

15

85D7

NUT

16

6676255

SWING VALVE

17

17C832

BOLT

18

25E14

WSHR

19

6676256

WEAR RING

20

6676258

O-RING

21

17C432

BOLT

22

59D4

NUT 5

Выбрано товаров: 22