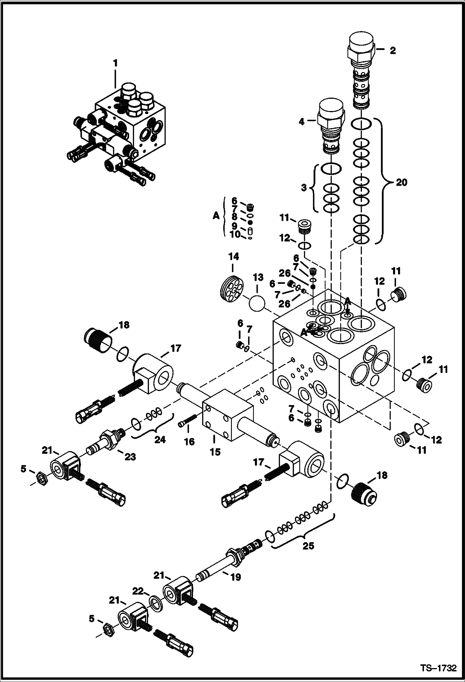
Запчасти Bobcat CONCRETE PUMP CONTROL VALVE Concrete Pump - S/N Prefix 2331 Loader

Схема запчастей Bobcat CONCRETE PUMP - CONTROL VALVE Concrete Pump - S/N Prefix 2331 Loader
FIT
1:1
100%

Артикул

Название

Примечание

Количество

1

6675943

VALVE ASSY Ref. 2 - 24

2

6676315

VALVE

3

6676314

SEAL KIT

4

6676313

VALVE logic

5

7D8

NUT 5

6

90K3

PLUG Was 90KV00003B - A

7

95K4

O-RING

8

6676311

PLUG

9

6675190

CHECK VALVE

10

25K20006

O RING 10

11

90K6

PLUG Was 90KV00006B - A

12

95K8

O-RING

13

6673831

BALL

14

6673832

RETAINER

15

6676318

VALVE W/Ref. 16-18

15

6676319

SEAL KIT

16

21G1020

SCREW

17

6676321

COIL

18

6676320

CAP

19

6673986

SPOOL, VALVE

20

6676316

SEAL KIT

21

6671025

COIL

22

6678711

SPACER Was 6674445 - D

23

6673993

SPOOL

24

6676317

SEAL KIT

25

6672756

KIT, SEAL

26

6669615

ORIFICE

Выбрано товаров: 27