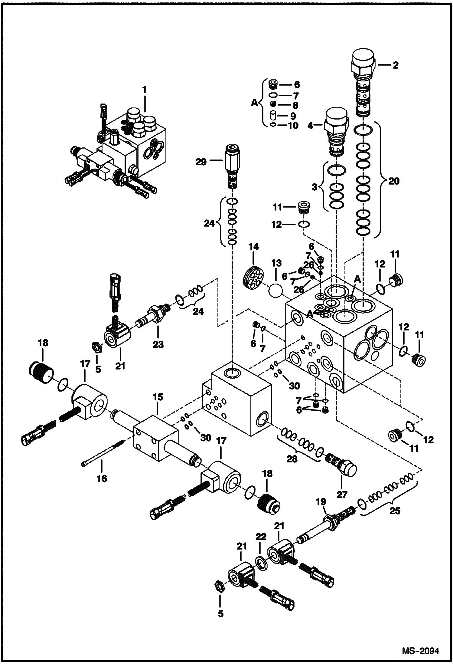
Запчасти Bobcat CONCRETE PUMP CONTROL VALVE Concrete Pump - S/N Prefix 2354 Loader

Схема запчастей Bobcat CONCRETE PUMP - CONTROL VALVE Concrete Pump - S/N Prefix 2354 Loader
FIT
1:1
100%

Артикул

Название

Примечание

Количество

1

6687111

VALVE ASSY W/Ref. 2 - 30

2

6676315

VALVE

3

6676314

SEAL KIT

4

6676313

VALVE logic

5

7D8

NUT 5

6

90K3

PLUG

7

95K4

O-RING

8

6676311

PLUG orifice

9

6675190

CHECK VALVE

10

25K20006

O RING 10

11

90K6

PLUG

12

95K8

O-RING

13

6686520

POPPET

14

6686519

RETAINER

15

6676318

VALVE W/Ref. 16 - 18

15

6676319

SEAL KIT

16

6678836

BOLT

17

6676321

COIL

18

6676320

CAP

19

6673986

SPOOL, VALVE

20

6676316

SEAL KIT

21

6671025

COIL

22

6678711

SPACER

23

6673993

SPOOL

24

6676317

SEAL KIT

25

6672756

KIT, SEAL

26

6669615

ORIFICE

27

6678835

REGULATOR

28

6674557

KIT, SEAL

29

6678838

VALVE relief

30

6678837

O-RING

Выбрано товаров: 31