Запчасти Bobcat CONCRETE PUMP SHUTTLE CYLINDER Concrete Pump - S/N Prefix 2354 Loader

Схема запчастей Bobcat CONCRETE PUMP - SHUTTLE CYLINDER Concrete Pump - S/N Prefix 2354 Loader
FIT
1:1
100%

Артикул

Название

Примечание

Количество

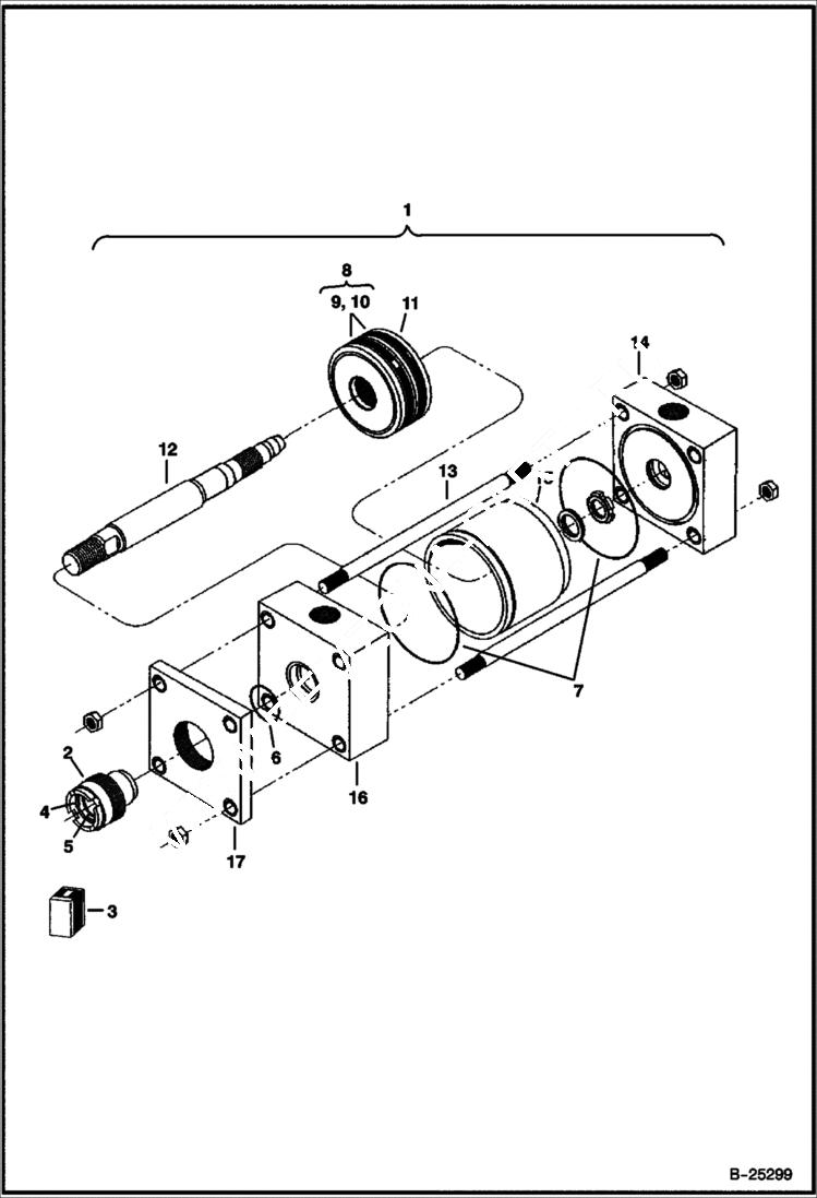
1

6688761

CYLINDER

2

6689076

KIT gland cartridge - includes gland & Ref. 4, 5 & 6

3

6689077

SEAL KIT rod seal - W/Ref. 4, 5 & 6

4

SEAL NSS - rod wiper seal - order Ref. 2 or 3

5

SEAL NSS - rod lip seal - order Ref. 2 or 3

6

O-RING NSS - gland to head seal - order Ref. 2 or 3

7

6689075

SEAL KIT cylinder body - contains 2 seals

8

6689074

SEAL KIT piston - contains 2 each of Ref. 7, 9 & 10

9

SEAL NSS - lip seal - order Ref. 8

10

WASHER NSS - backup washer - order Ref. 8

11

PISTON NSS - order Ref. 1

12

ROD NSS - order Ref. 1

13

TIE ROD NSS - order Ref. 1

14

CAP NSS - order Ref. 1

15

BODY NSS - order Ref. 1

16

HEAD NSS - order Ref. 1

17

RETAINER NSS - order Ref. 1

Выбрано товаров: 17