Запчасти Bobcat CUTTER CRUSHERS CUTTER CRUSHER MODEL 30 (325,328,331,334,337,341) Экскаваторы

Схема запчастей Bobcat CUTTER CRUSHERS - CUTTER CRUSHER MODEL 30 (325,328,331,334,337,341) Экскаваторы
FIT
1:1
100%

Артикул

Название

Примечание

Количество

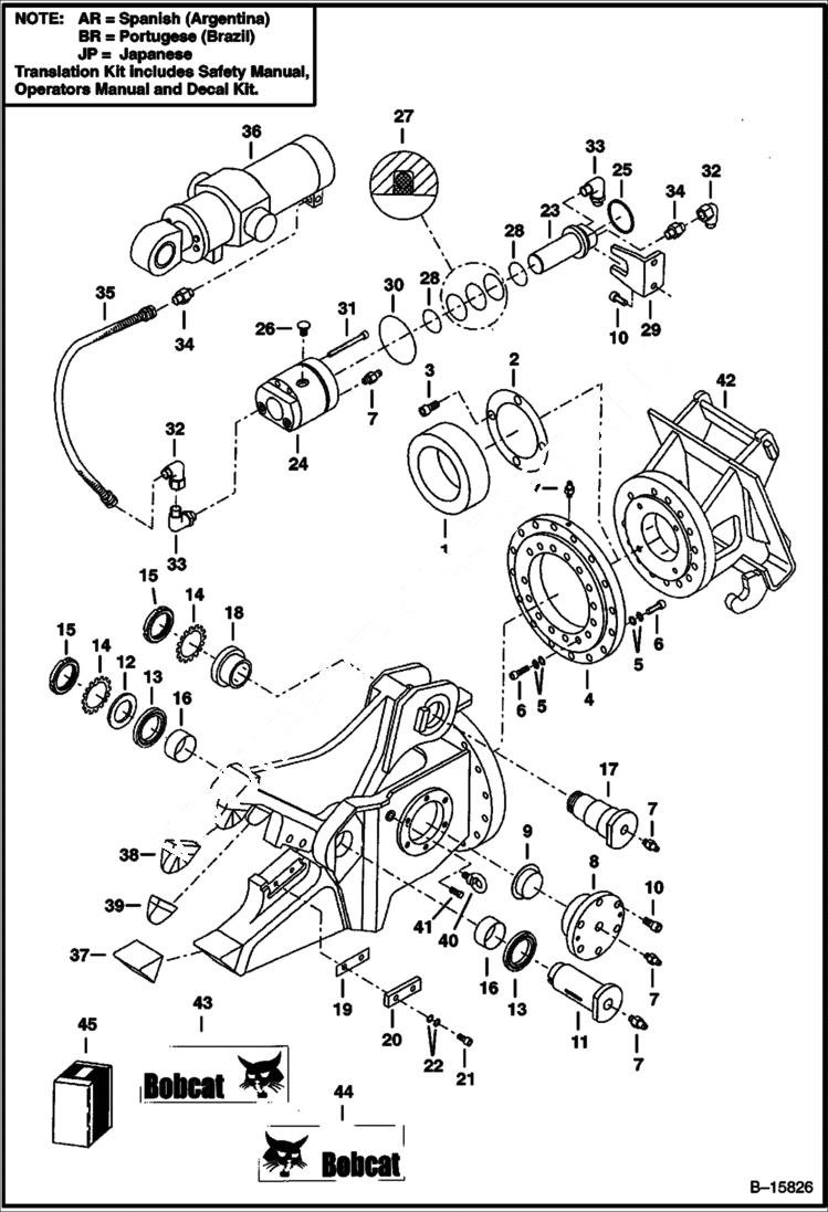
1

6677033

BRAKE

2

6677034

SHIM PLATE

3

6676994

BOLT

4

6677055

RING

5

6665938

WASHER

6

6677056

BOLT

7

6676986

GREASE ZERK

8

6677029

CAP

9

6677057

BUSHING

10

6676994

BOLT

11

6677024

SHAFT

12

6677025

FLANGE

13

6677026

SPACER PLATE

14

6677059

WASHER

15

6677060

NUT

16

6677058

BUSHING

17

6677027

SHAFT

18

6677028

BUSHING

19

6677031

SHIM PLATE

20

6677032

CUTTER BLADE

21

6676988

BOLT

22

6676996

WASHER

23

6677021

SPOOL

24

6677022

BODY

25

6677054

LOCK RING

26

6676987

PLUG

27

6677053

SEAL KIT

28

6665999

WIPER

29

6677030

BRACKET

30

6676985

O-RING

31

6677061

BOLT

32

6677081

ELBOW

33

6677062

ELBOW

34

6677063

ADAPTER

35

6677064

HOSE

36

6677065

CYLINDER ASSY

37

6677097

TOOTH front

38

6677008

TOOTH breaking

39

6677023

TOOTH breaking

40

6676992

LIFTING EYE

41

6676989

BOLT

42

6677095

MOUNT

43

6727323

DECAL, LOGO BOBCAT AND HEAD L.H. - Was 6567987 - A

44

6727324

DECAL, LOGO BOBCAT AND HEAD RH - Was 6567988 - A

45

6727019AR

KIT translation

45

6727019BR

KIT translation

Выбрано товаров: 46