Запчасти Bobcat CUTTER CRUSHERS CUTTER CRUSHER MODEL 30 (325,328,331,334,337,341) (Hydraulic Cylinder) Экскаваторы

Схема запчастей Bobcat CUTTER CRUSHERS - CUTTER CRUSHER MODEL 30 (325,328,331,334,337,341) (Hydraulic Cylinder) Экскаваторы
FIT
1:1
100%

Артикул

Название

Примечание

Количество

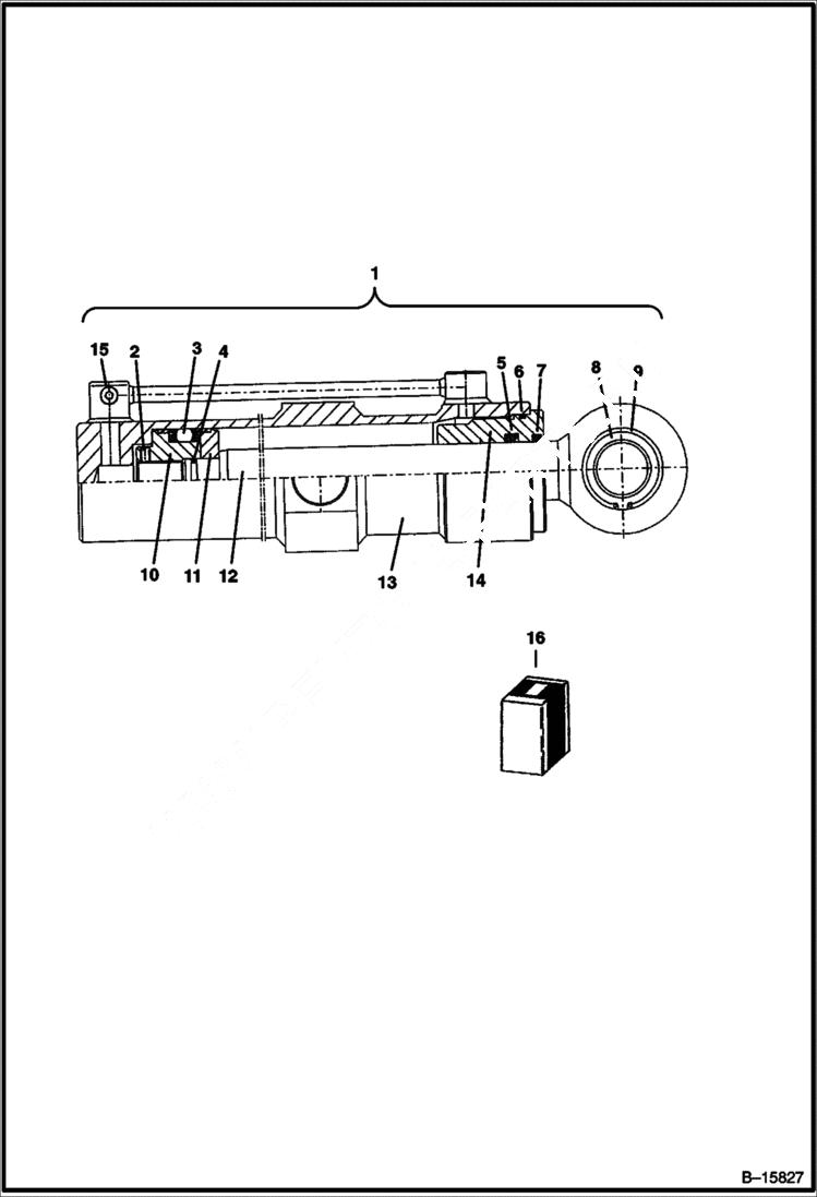
1

6677065

CYLINDER ASSY W/Ref. 2 - 15

2

6677082

BOLT

3

6677084

SEAL

4

6676998

O-RING

5

6677083

SEAL

6

6677085

O-RING

7

6677086

WIPER

8

6677087

BEARING

9

6677094

LOCK RING

10

6677088

PISTON

11

6677089

FLANGE

12

6677090

SHAFT

13

6677091

TUBE

14

6677092

GUIDE

15

6676987

PLUG

16

6677093

SEAL KIT

Выбрано товаров: 16