Качественные детали и логистика
Оригинальные и аналоговые запчасти с доставкой по России, Казахстану и Беларуси
©2022 PartSell ООО "Система" ИНН 2463123282 ОГРН 1212400004838
Центральный офис: г. Красноярск, Академика Киренского, д.87, пом.4
Телефон: 8 (800) 777-65-74 Email: zakaz@partsell.ru
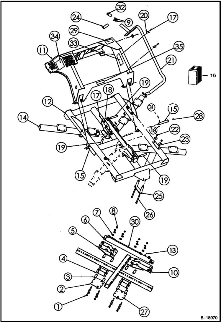
DISC (Frame) (HD80 7184)
№
Артикул
Название
Примечание
Количество
1
17C884
BOLT
2
6677398
PLATE
3
6677399
SPACER
4
6677400
GUIDE
5
6677401
MOUNT
6
6677402
CYLINDER
7
25E22
WASHER
8
59D8
NUT 5
9
1308474
FITTING
10
6677403
11
6677404
FRAME
12
6677405
13
87F6
FITTING Was 87FN00006B - A
14
6677407
TUBE
15
6677408
PIN
16
6708184
KIT D-ring
17
17C432
18
59D4
19
6677410
20
6677411
CLIP
21
6677412
HOSE
22
59D10
NUT
23
25E26
24
6674688
COUPLER, FF MALE straight
25
6677413
BRACKET
26
17C10128
27
6677414
28
10H25
FITTING, GREASE 5
29
6677622
DECAL operation/warning
30
6677625
31
17C440
32
6672960
COUPLER, FF FEMALE straight
33
PLATE NLA - serial number
34
6677620
DECAL
35
6677621
Выбрано товаров: 0