Качественные детали и логистика
Оригинальные и аналоговые запчасти с доставкой по России, Казахстану и Беларуси
©2022 PartSell ООО "Система" ИНН 2463123282 ОГРН 1212400004838
Центральный офис: г. Красноярск, Академика Киренского, д.87, пом.4
Телефон: 8 (800) 777-65-74 Email: zakaz@partsell.ru
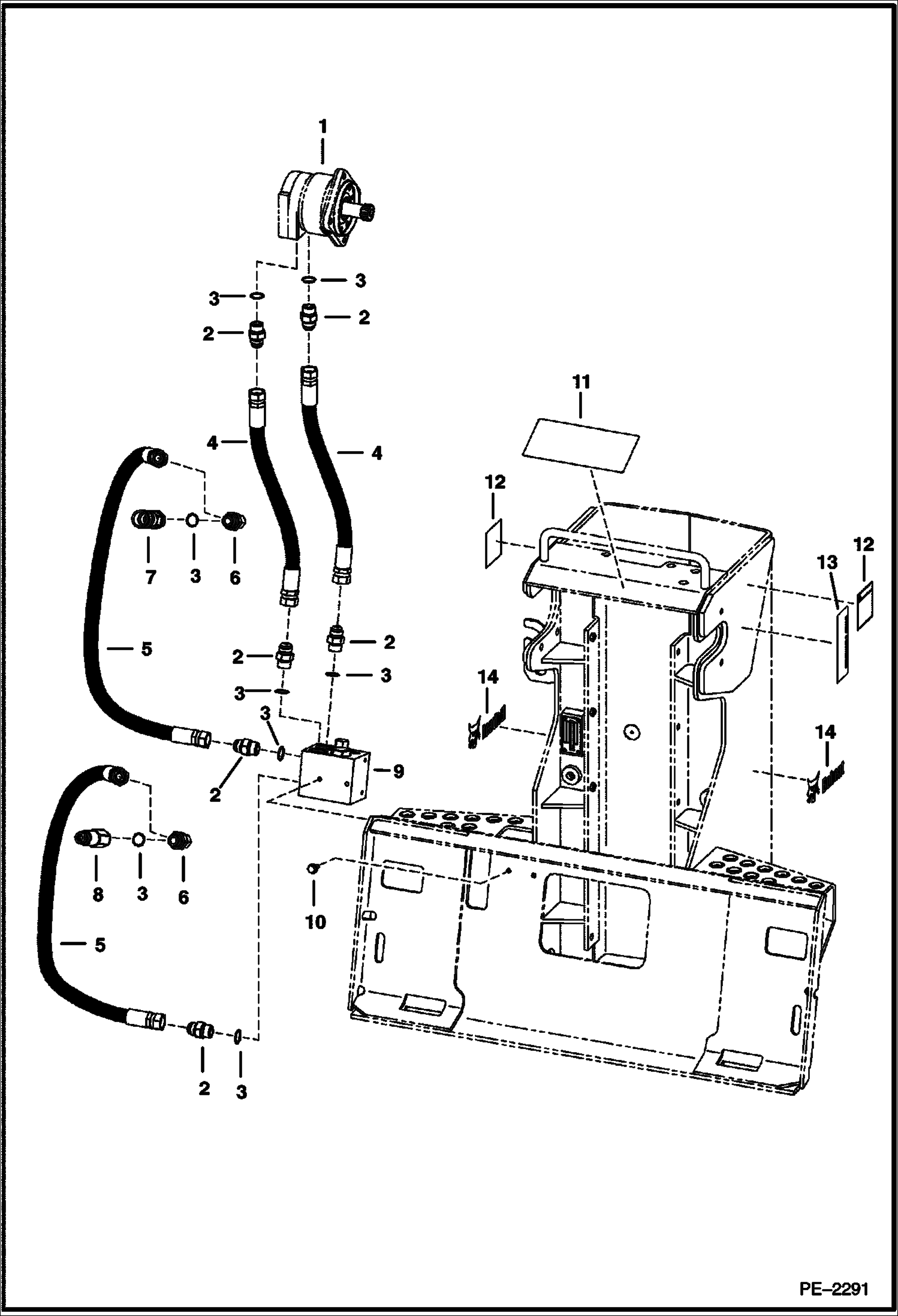
DROP HAMMER (Hydraulics) (0058)
№
Артикул
Название
Примечание
Количество
1
MOTOR See Illustration DROP HAMMER/ B17123
2
15KB1212
FITTING, HYD CONNECTOR
3
79K12
O RING 10
4
7101075
HOSE
5
7101076
6
18KB1212
FITTING, HYD ELBOW
7
6672960
COUPLER, FF FEMALE straight
8
6674688
COUPLER, FF MALE straight
9
VALVE ASSY See Illustration DROP HAMMER/ PE2249
10
35C616
BOLT 5
11
7101612
DECAL warning
12
6583862
DECAL, WARNING
13
7101079
DECAL transport
14
7109473
DECAL, LOGO BOBCAT AND HEAD Was 6727323 - B
Выбрано товаров: 0