Запчасти Bobcat DROP HAMMER DROP HAMMER (Hydraulic Motor) (0058) Loader

Схема запчастей Bobcat DROP HAMMER - DROP HAMMER (Hydraulic Motor) (0058) Loader
FIT
1:1
100%

Артикул

Название

Примечание

Количество

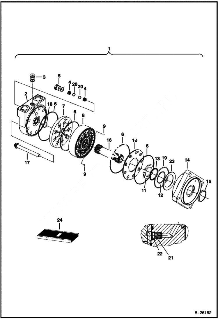
1

7116831

MOTOR, DRIVE HYD Model 161-0088-005 without paint or 161-0061-005 with paint - Ref. 2-23

2

6689697

HOUSING, MOTOR

3

6668079

PLUG, MOTOR

4

6651537

SPRING

5

6668089

PLUG, MOTOR

6

6678000

SEAL

7

6689698

PLATE valve

8

GEROLER NSS - Order Ref. 1

9

6651542

BALL, STEEL

10

6689700

PLATE balancing - outer

11

6678004

PLATE balancing - inner

12

6682860

O-RING

13

6678006

RING, BACK-UP

14

6685553

FLANGE mounting

15

6664815

SEAL, OIL

16

6689741

DRIVE

17

6689742

BOLT

18

6669452

O-RING

19

6682897

SEAL

20

6664428

BALL, STEEL

21

PLUG, MOTOR NLA - orifice - Was 6850005 - A

22

6850004

SCREEN

23

6685069

RING,BACK-UP belleville disc

24

6689679

SEAL KIT Ref. 3, 5, 6, 12, 13, 15, 18 & 19

Выбрано товаров: 0