Запчасти Bobcat DROP HAMMER DROP HAMMER (Motor) (A78D) Loader

Схема запчастей Bobcat DROP HAMMER - DROP HAMMER (Motor) (A78D) Loader
FIT
1:1
100%

Артикул

Название

Примечание

Количество

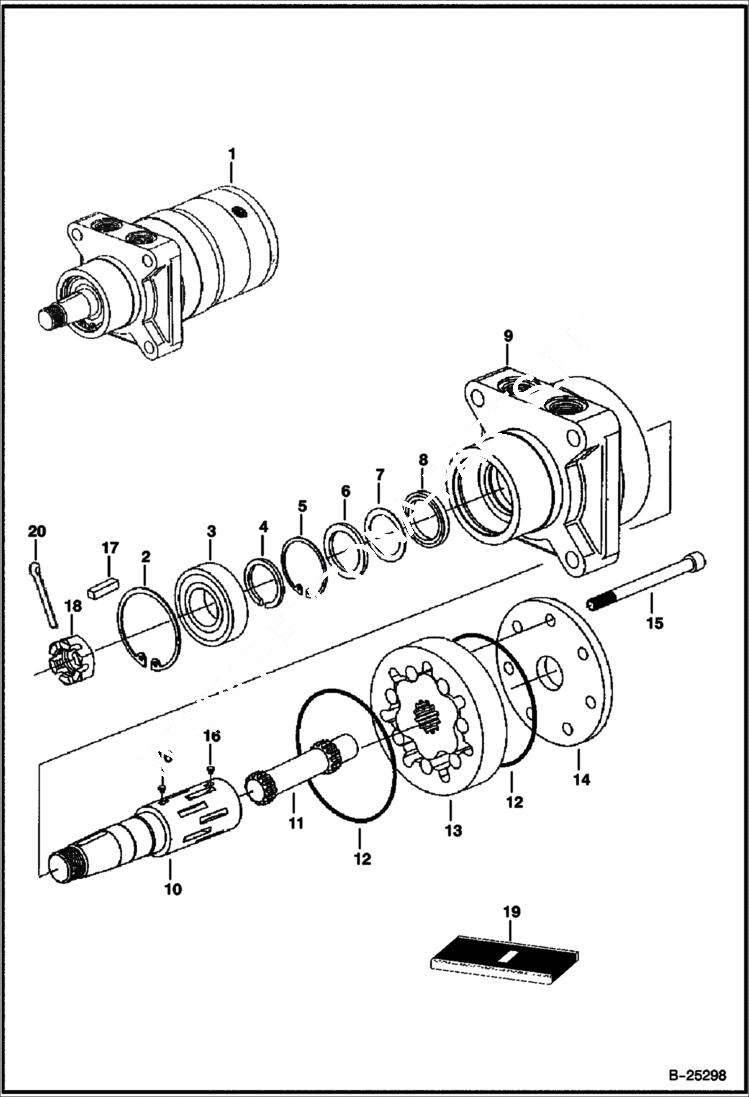
1

6686333

MOTOR W/Ref. 2 - 18

2

6684018

RING retaining

3

6684019

BEARING

4

6684020

RING retaining

5

6684021

RING retaining

6

6684022

WASHER

7

6659511

BACKUP RING

8

6689096

SEAL Was 6665224 - A

9

6689062

HOUSING

10

6689063

SHAFT, OUTPUT

11

6684026

DRIVE

12

6684027

SEAL

13

6684029

GEROLER

14

6689064

END CAP

15

6684031

BOLT

16

6689065

POPPET

17

6689066

KEY

18

5200255

NUTCASTLE

19

6684032

SEAL KIT Ref. 2-8 & 12

20

1F424

PIN

Выбрано товаров: 20