Качественные детали и логистика
Оригинальные и аналоговые запчасти с доставкой по России, Казахстану и Беларуси
©2022 PartSell ООО "Система" ИНН 2463123282 ОГРН 1212400004838
Центральный офис: г. Красноярск, Академика Киренского, д.87, пом.4
Телефон: 8 (800) 777-65-74 Email: zakaz@partsell.ru
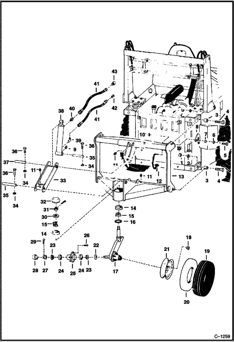
FIFTH WHEEL
№
Артикул
Название
Примечание
Количество
1
61D12
NUT
2
23E12
WASHER Was 4E12 - A
3
6503498
BUSHING
4
17C1248
BOLT
5
17C824
BOLT 5
6
25E21
WASHER 5
7
6503451
SPACER
8
6503457
HOOK Bob-Tach
9
11H15
GREASE FITTING
10
81D8
11
10H35
FITTING, GREASE 10
12
6515642
PIN W/Chain & Cotter Pin
13
6501511
MAIN FRAME
14
6648774
BEARING Was 743777B - A
15
6648776
RACE Was 743778B - A
16
6514043
SEAL
17
6501512
AXLE W/O Hubs or Wheels
18
100379
NUT wheel
19
TIRE NLA - 4:00 x 8'' (203,2 mm) 4 ply - Was 1319596B - A
20
600087
TUBE 4:00 x 8'' (203,8mm)
21
6515584
WHEEL 4'' x 8'' (101,4mm x 203,8mm)
22
6515508
23
1305124
CONE
24
1305123
RACE
25
6515581
HUB W/Ref. 24 & 26
26
6515248
BOLT wheel
27
6D12
28
6515507
CAP hub
29
1F424
PIN
30
25E30
WSHR
31
4D14
32
6565289
CAP
33
6501513
ARM linkage
34
81D5
35
6503474
HINGE PIN
36
17C532
37
6503473
38
CYLINDER See Illustration FIFTH WHEEL/ B20039
39
83F5
ELBOW
40
89F5
CONNECTR
41
6551199
HOSE
42
6598755
QUICK COUPLER male
43
6598756
QUICK COUPLER female
25K40026
O RING 10
Выбрано товаров: 0