Качественные детали и логистика
Оригинальные и аналоговые запчасти с доставкой по России, Казахстану и Беларуси
©2022 PartSell ООО "Система" ИНН 2463123282 ОГРН 1212400004838
Центральный офис: г. Красноярск, Академика Киренского, д.87, пом.4
Телефон: 8 (800) 777-65-74 Email: zakaz@partsell.ru
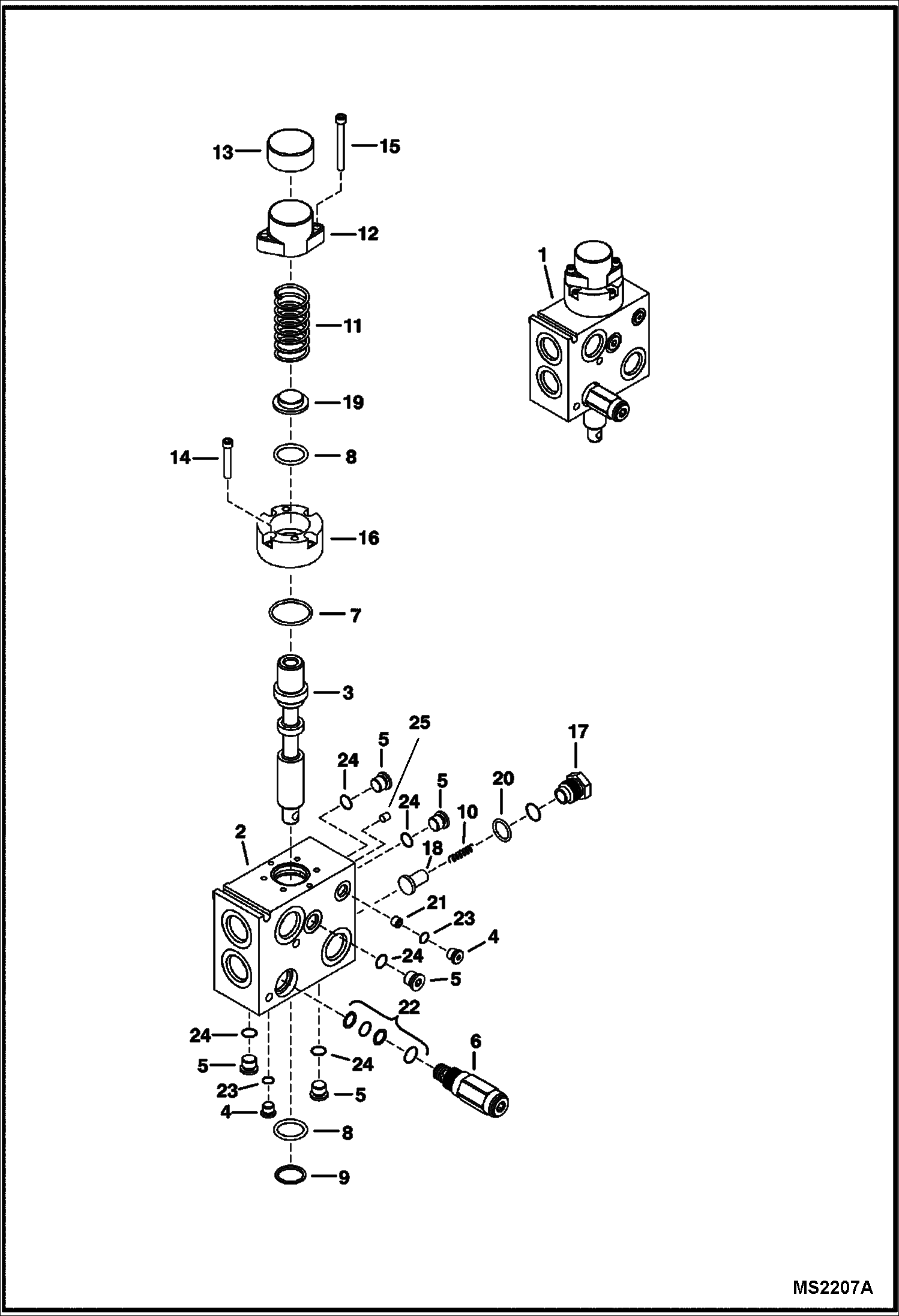
FLAIL CUTTER (Shutoff Valve) (Seppi) (FC175 467500154 & Above) (FC200 467300197 & Above)
№
Артикул
Название
Примечание
Количество
1
6688659
VALVE
2
BLOCK NSS - Order Ref. 1
3
6690298
SPOOL
4
6665719
PLUG W/Ref. 23
5
6669620
PLUG W/Ref. 24
6
6673219
RELIEF VALVE 2500 psi - W/Ref. 22
7
6690371
O-RING
8
6690299
9
6690300
SEAL rod wiper
10
6690302
SPRING
11
6690303
SPRING Was 6690302 - B,D
12
6690304
COVER
13
6690305
CAP
14
6690306
BOLT
15
6690307
16
6690308
17
6690309
CHECK VALVE
18
6690310
POPPET
19
6690311
GUIDE
20
6690312
21
6675959
ORIFICE
22
6673213
KIT, SEAL Was 6664032 - A
23
O RING 10 NSS - Order Ref. 4 - Was 79K4 - B,D
24
O RING 10 NSS - Order Ref. 5 - Was 79K6 - B,D
25
PLUG NSS - expander
Выбрано товаров: 0