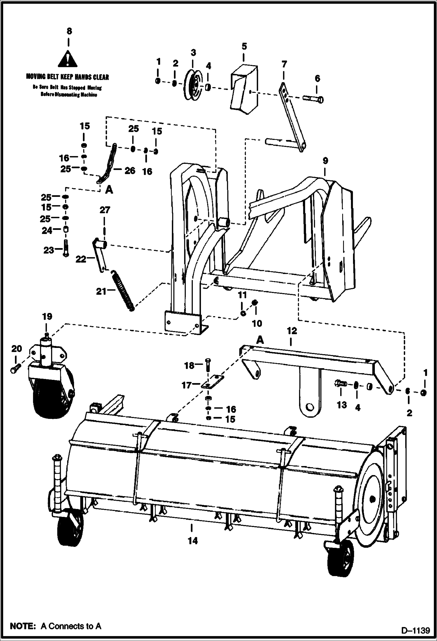
Запчасти Bobcat FLAIL MOWER FLAIL MOWER (Mounting Frame) (300 Series) Loader

Схема запчастей Bobcat FLAIL MOWER - FLAIL MOWER (Mounting Frame) (300 Series) Loader
FIT
1:1
100%

Артикул

Название

Примечание

Количество

1

61D10

NUT

2

4E10

WASHER

3

6564011

PULLEY drive - Was 6515550 - A

4

6541728

BUSHING

5

6541729

SHIELD drive

6

17C1040

BOLT

7

6541716

ARM pulley

8

6541972

DECAL caution

9

6541698

FRAME mounting

10

61D8

NUT 5

11

4E8

WASHER

12

6541711

BRACKET mounting

13

17C1024

BOLT

14

MOWER SALES

15

61D6

NUT 5

16

4E6

WASHER

17

6541726

PLATE hookup

18

17C628

BOLT

19

WHEEL See Illustration FLAIL MOWER/ B1422 - NLA - caster - Ref. 2-13 - Order components - Was 6541722 - A

20

17C820

BOLT

21

6507086

SPRING tension

22

6541719

ARM spring

23

17C632

BOLT 5

24

6541727

BUSHING

25

25E17

WASHER 5

26

6541797

CHAIN 4/0 x 6 links

27

675351

ROLL PIN

Выбрано товаров: 27