Запчасти Bobcat FORESTRY CUTTER FORESTRY CUTTER (Main Frame) (FRC60 A6ZB) Loader

Схема запчастей Bobcat FORESTRY CUTTER - FORESTRY CUTTER (Main Frame) (FRC60 A6ZB) Loader
FIT
1:1
100%

Артикул

Название

Примечание

Количество

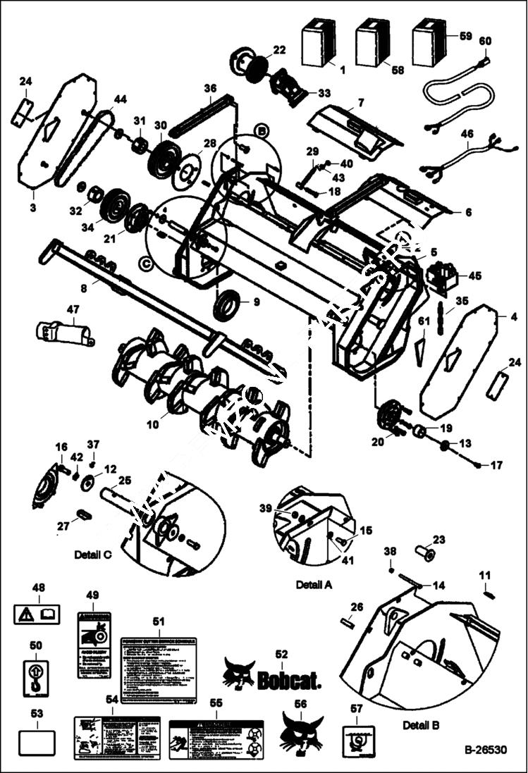
1

FORESTRY CUTTER SALES #7136624 - 60''

2

6678675

CONTROLLER, ACD

3

6692579

COVER

4

6692581

COVER

5

6692582

FRAME

5

6698277

TINE lower - weld-in

6

6692583

COVER

7

6692584

COVER

8

6692585

BAR

9

6692586

RING

10

ROTOR, ASSY See Illustration FORESTRY CUTTER/ NA6221 - NLA - Was 7010514 - A

11

6905719

CLICK PIN Use W/Ref. 6 & 7

12

6692588

WASHER

13

6692589

WASHER

14

17C548

BOLT

15

17C616

BOLT 5

16

17C816

BOLT Was 17C872 - B,D

17

6692590

BOLT

18

17C1044

BOLT

19

6692591

SPACER

20

BEARING ASSY See Illustration FORESTRY CUTTER/ B26528 - floating - painted black

20

7019290

SHIM .06'' thick

20

7019291

SHIM .125'' thick

20

7019292

SHIM .188'' thick

20

7019293

SHIM outside - 10 ga.

20

7019294

SHIM 2 outside - 12 ga.

21

BEARING ASSY See Illustration FORESTRY CUTTER/ B26527 - fixed - painted red

22

BEARING See Illustration FORESTRY CUTTER/ B26529 - assy

23

6692593

PIN connects Ref 36 to Ref 8 and to main frame

24

6692594

COVER, ACCESS

25

6692595

PIN

26

6692596

KEY

27

6692597

KEY

28

6692598

RETAINER

29

6692599

TENSIONER

30

6692604

PULLEY 9.25'' dia. - Was 6692600 - B,D

31

6692601

BUSHING

32

6692602

BUSHING

33

6692603

MOTOR See Illustration FORESTRY CUTTER/ B26530

34

PULLEY NLA - 10.9'' dia. - Order 7010318 pulley - Was 6692600 - B,D

34

7010318

PULLEY 12.5'' dia

35

7013174

CHAIN 12'' (305 mm) long - Was 7114335 - B,D

36

6692606

BAR

37

10H25

FITTING, GREASE 5

38

85D5

NUT 5

39

85D6

NUT, 5

40

61D10

NUT

41

27E6

WASHER 5

42

4E8

WASHER

43

WASHER NLA - two piece gray - Was 6692607 - A

43

7020618

WASHER one piece black - Was 7010329 - A

44

6692574

BELT

45

VALVE ASSY NLA - Use 7196485 - Was 6691567 - A

46

7135123

HARNESS

47

7108147

CONTAINER, MANUAL W/ 6686517 tube

48

6732148

DECAL

49

7136716

DECAL warning

50

6809609

DECAL

51

7136960

DECAL service

52

6809831

DECAL, LOGO BOBCAT AND HEAD

53

7136627

DECAL quality approval

54

7136717

DECAL danger

55

7136715

DECAL danger

56

6700191

DECAL, LOGO BOBCAT HEAD

57

6595014

DECAL tie down

58

TRANSLATION KIT NLA - Order components - Was 7137100AR - A

58

7137100BR

TRANSLATION KIT

58

DECAL KIT NLA - Order components - Was 7137101AR - A

58

7137101BR

DECAL KIT

58

7137101JP

DECAL KIT

59

KIT SALES - Forestry Applications - Includes 7137797 forestry door kit, 7137796 forestry debris kit, 6718924 FOPS kit & 6725898 fires extinguisher kit - Sales #7131810

60

6725368

HARNESS 7-pin

61

6698277

TINE lower - weld-in

Выбрано товаров: 73