Запчасти Bobcat FORESTRY CUTTER FORESTRY CUTTER (Hydraulic Circuitry) (FRC50 ATSY) (FRC60 ATV1) Loader

Схема запчастей Bobcat FORESTRY CUTTER - FORESTRY CUTTER (Hydraulic Circuitry) (FRC50 ATSY) (FRC60 ATV1) Loader
FIT
1:1
100%

Артикул

Название

Примечание

Количество

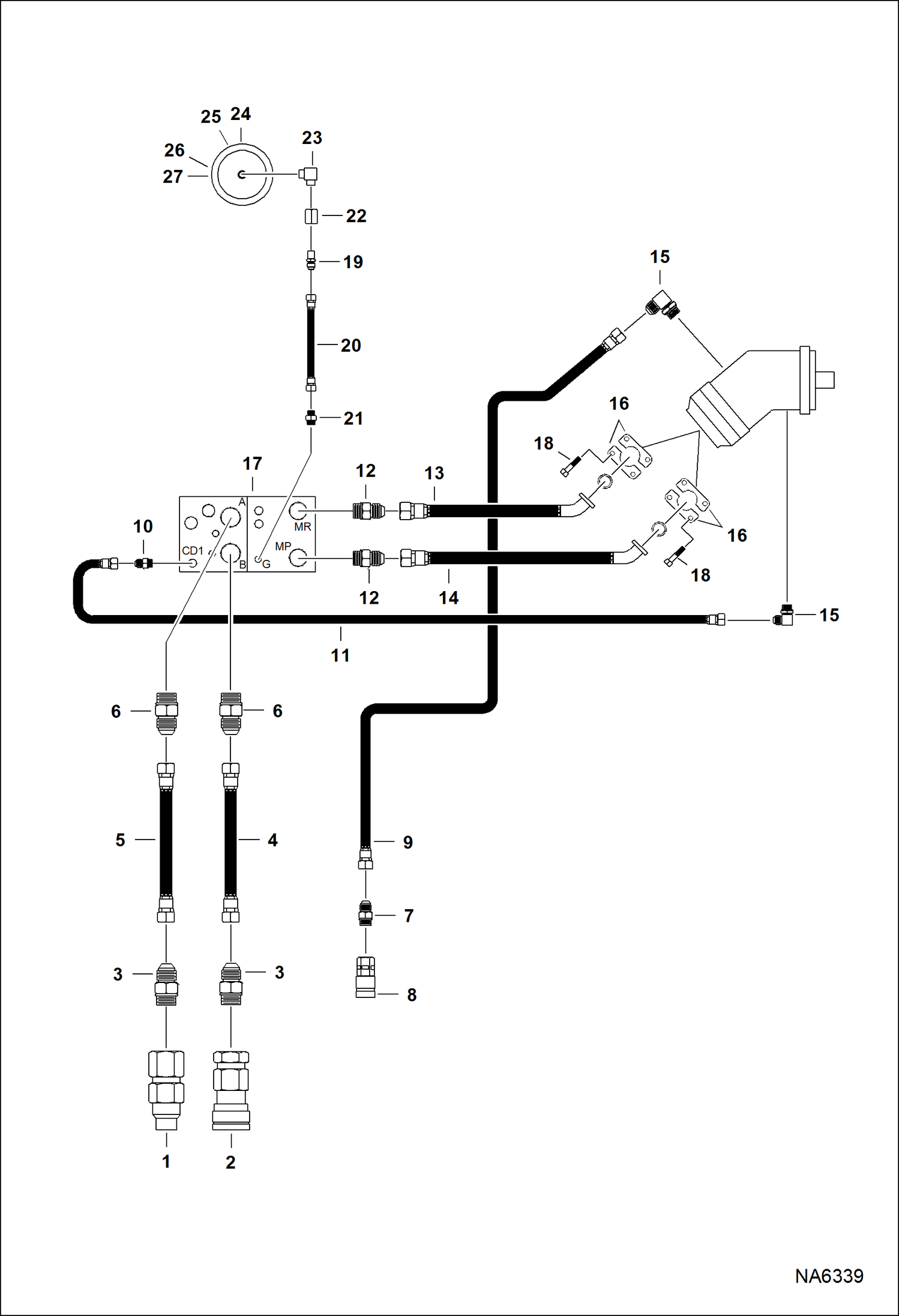
1

6688454

COUPLER, FF MALE straight

2

6687636

COUPLER, FF FEMALE straight

3

15KB1612

FITTING, HYD CONNECTOR

3

79K12

O RING 10

4

7023715

HOSE, HYD

5

7023714

HOSE, HYD

6

15KB1616

FITTING, HYD CONNECTOR

6

79K16

O RING 10

7

15KB0608

FITTING, HYD CONNECTOR

7

79K8

O RING 10

8

6667805

COUPLER, FF FEMALE straight - case drain

9

7023711

HOSE, HYD

10

15KB0606

FITTING, HYD CONNECTOR

10

79K6

O RING 10

11

7023710

HOSE, HYD

12

15KB1216

FITTING, HYD CONNECTOR

12

79K16

O RING 10

13

7024080

HOSE, HYD

13

7023712

HOSE, HYD

14

7024081

HOSE, HYD

14

7023713

HOSE, HYD

15

17KB0612

FITTING, HYD ELBOW Was 17KB608 - B,D

15

79K12

O RING 10 Was 79K8 - B,D

16

7023716

KIT, FLANGE

17

7196485

VALVE See Illustration FORESTRY CUTTER/ NA2844

18

17C624

BOLT 5

19

6693196

ADAPTER

20

6692627

HOSE

21

6692628

ADAPTER

21

79K4

O RING 10

22

7003476

SNUBBER

23

6693195

ELBOW

24

6692605

GASKET For pressure gauge - 4''

24

7028395

DAMPER rubber - For pressure gauge - 6 1/8''

25

6692632

GAUGE, PRESSURE

26

7029551

RING, RETAINING small

27

7029552

RING, RETAINING large

Выбрано товаров: 37