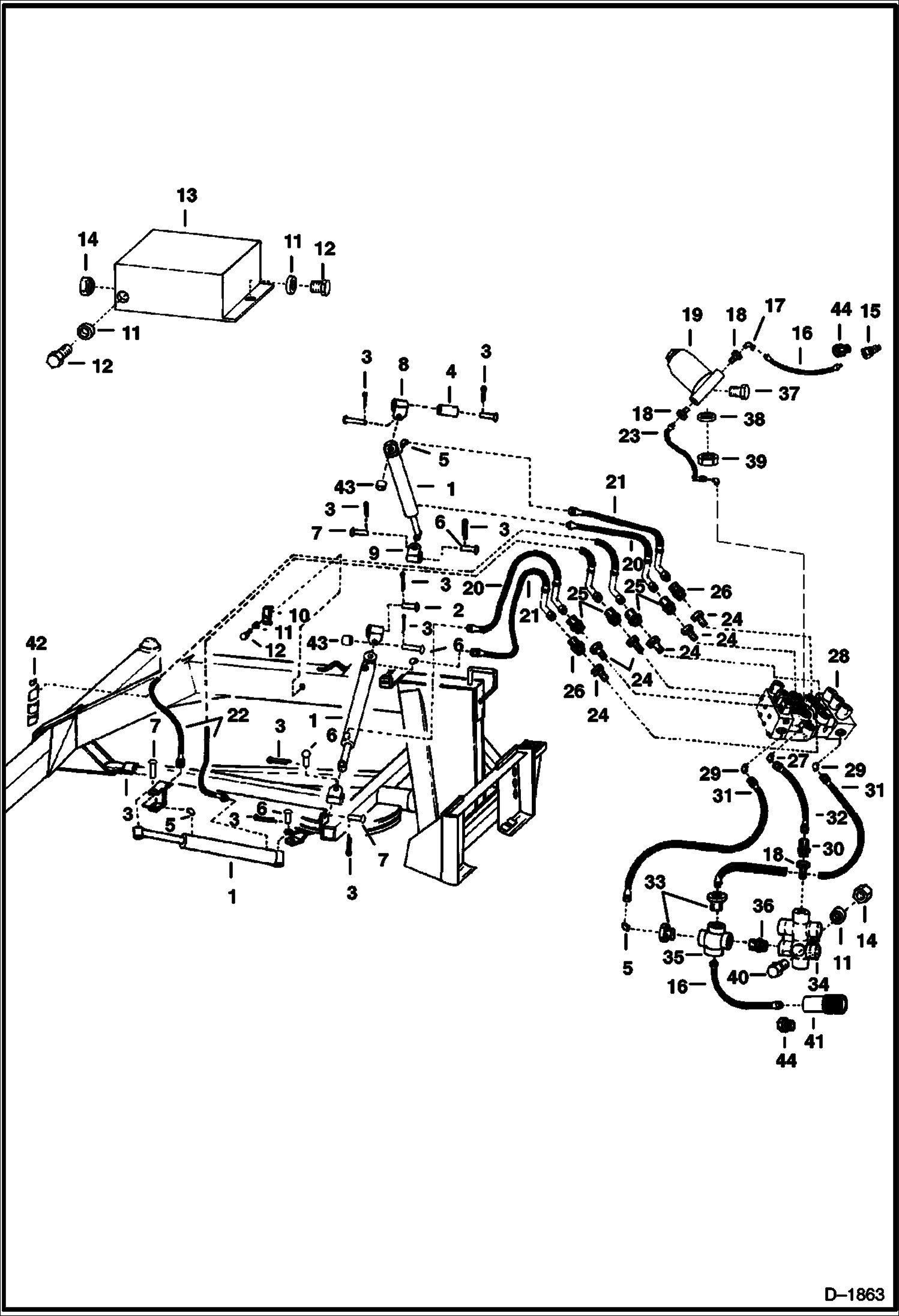
Запчасти Bobcat GRADER GRADER (Hydraulic Circuitry) (802700334 & Below) Loader

Схема запчастей Bobcat GRADER - GRADER (Hydraulic Circuitry) (802700334 & Below) Loader
FIT
1:1
100%

Артикул

Название

Примечание

Количество

1

CYLINDER See Illustration GRADER/ C3112A See Illustration GRADER/ B18060 NLA - Order 6531681 , 6651649 & 6561659 - WAS 6531601 - A

1

6531681

CYLINDER

1

6657212

CYLINDER

2

6648593

PIN

3

1F632

PIN

4

6547652

BUSHING Was 6648594 - A

5

29F2

ELBOW

6

6648595

PIN

7

6648596

PIN

8

KNUCKLE NLA - Was 6648597 - A

9

KNUCKLE NLA - Was 6648598 - A

10

6648599

CLAMP

11

4E4

WASHER

12

17C412

BOLT 5

13

6648600

COVER

14

61D4

NUT 5

15

6598755

QUICK COUPLER male - poppet

15

6598757

COUPLER, POPPET MALE straight

15

6674688

COUPLER, FF MALE straight - Was 6667808 - A

15

6679841

SEAL Was 6672026 - A

16

6648659

HOSE Was 6648601 - A

16

6652537

HOSE

17

29F3

ELBOW

18

6648608

REDUCER

19

FILTER NLA - Was 6648602 - A

19

6648603

ELEMENT

20

6648604

HOSE

20

6651650

HOSE

21

6648605

HOSE

21

6651651

HOSE

22

6648606

HOSE NLA - Was 6648606 - A

22

6651649

HOSE

23

6648607

HOSE

24

6648609

REDUCER

25

6648610

ADAPTER

26

ADAPTER NLA - orifice - Was 6648632 - A

27

ELBOW NLA - Was 6648611 - A

28

6587411

VALVE See Illustration GRADER/ E1705 WAS 6593360 - A

29

6648612

ELBOW

30

6648613

ADAPTER

31

HOSE NLA - Was 6648614 - A

32

HOSE NLA - Was 6648615 - A

33

6648616

REDUCER

34

6648617

RELIEF VALVE See Illustration GRADER/ C3067

35

6648618

TEE

36

6648619

ADAPTER

37

17C616

BOLT 5

38

4E6

WASHER

39

61D6

NUT 5

40

17C432

BOLT

41

6598756

QUICK COUPLER female - poppet

41

6598758

COUPLER, POPPET FEMALE straight

41

6672960

COUPLER, FF FEMALE straight - Was 6667807 - A

42

6648620

WRAP

43

6657219

SPACER

44

6669284

ADAPTER, COUPLER Use with flush face couplers

44

6668096

ADAPTER Use with flush face couplers

Выбрано товаров: 57