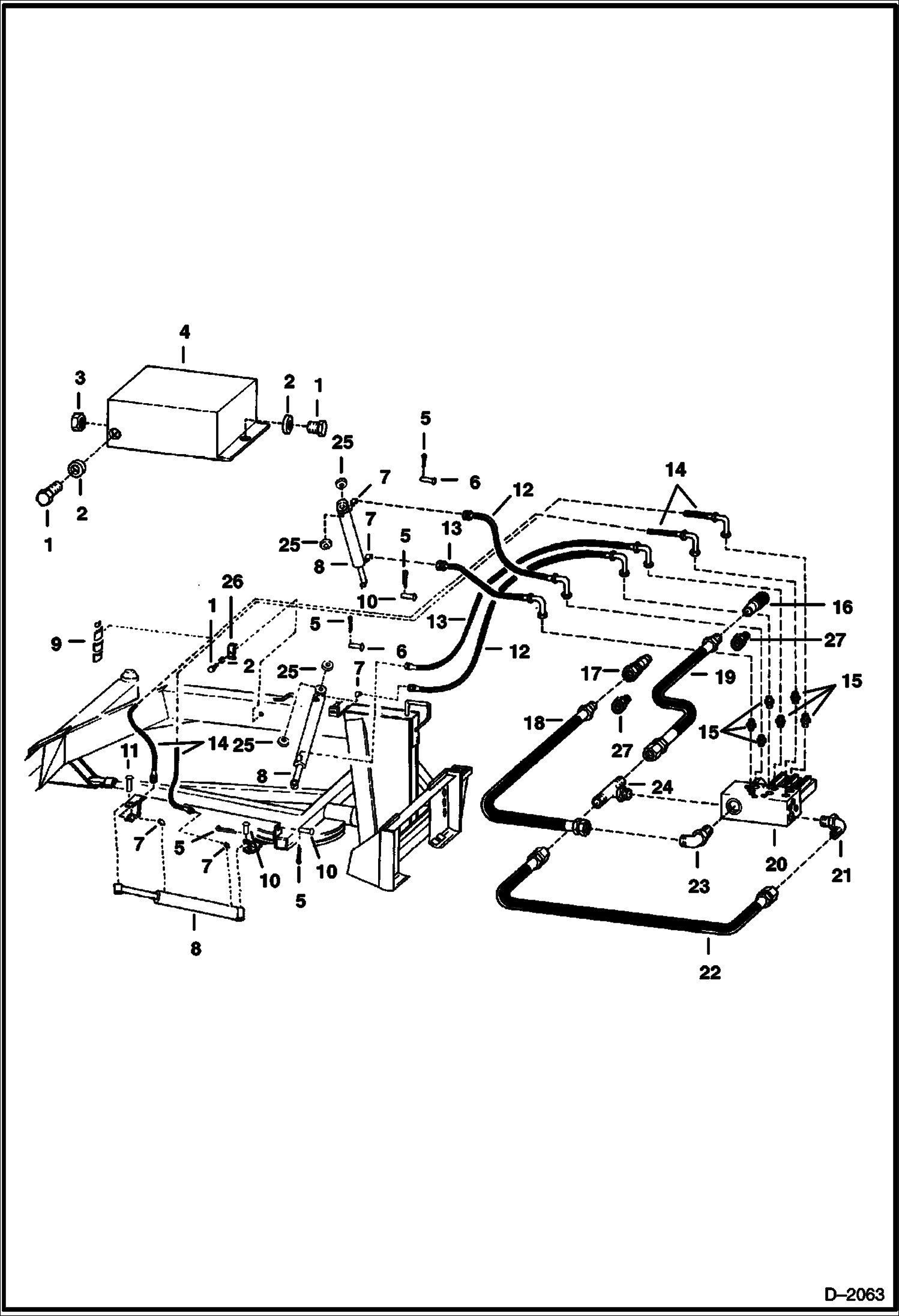
Запчасти Bobcat GRADER GRADER (Hydraulic Circuitry) (802700335 & Above) (231511101 & Above) Loader

Схема запчастей Bobcat GRADER - GRADER (Hydraulic Circuitry) (802700335 & Above) (231511101 & Above) Loader
FIT
1:1
100%

Артикул

Название

Примечание

Количество

1

17C412

BOLT 5

2

4E4

WASHER

3

61D4

NUT 5

4

6648600

COVER

5

1F632

PIN

6

6648593

PIN

7

6657211

ELBOW

8

6657212

CYLINDER See Illustration GRADER/ C3015

9

6648620

WRAP

10

6648595

PIN

11

6648596

PIN

12

6651651

HOSE

13

6651650

HOSE

14

6651649

HOSE

15

6657213

ADAPTER

16

6598758

COUPLER, POPPET FEMALE straight

16

6672960

COUPLER, FF FEMALE straight - Was 6667807 - A

17

6598757

COUPLER, POPPET MALE straight

17

6674688

COUPLER, FF MALE straight - Was 6667808 - A

17

6679841

SEAL Was 6672026 - A

18

6657214

HOSE

19

6657215

HOSE

20

VALVE See Illustration GRADER/ C3318 See Illustration GRADER/ C3259

21

ELBOW NLA - Was 6648611 - A

22

6657217

HOSE

23

6650185

ELBOW

24

6657218

TEE

25

6657219

SPACER

26

6648599

CLAMP

27

6668096

ADAPTER Use to convert to flush face couplers

Выбрано товаров: 30