Запчасти Bobcat GRADER GRADER (Main Frame) (84 6480) Loader

Схема запчастей Bobcat GRADER - GRADER (Main Frame) (84 6480) Loader
FIT
1:1
100%

Артикул

Название

Примечание

Количество

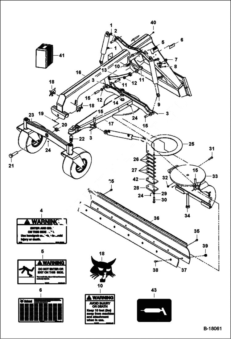
1

17KB0606

FITTING Was 17KV00005B - A

2

6648596

PIN

3

1F624

PIN cotter

4

6594488

DECAL, WARNING enter/exit

5

6701391

DECAL, EXIT

6

DECAL NLA - patent - Was 6557224 - C

7

6675128

CAP 7-pin

8

1CM1020

BOLT Was 25G616 - B

9

6674426

CYLINDER See Illustration GRADER/ TS1717

10

6583862

DECAL, WARNING

11

17C1452

BOLT Was 17C1448 - B

12

85D14

NUT Was 87D14 - B

13

6906459

LINK

14

6534111

WASHER Was 6673771 - B

15

6906505

PIN

16

6906376

FRAME

17

6906392

FRAME WELDMENT, TURNTABLE

18

6700191

DECAL, LOGO BOBCAT HEAD

19

1F640

PIN cotter

20

4D20

NUT slotted

21

6906130

BOLT

22

6508653

BALL

23

TIRE MOUNT ASSY See Illustration GRADER/ B18063

24

10H35

FITTING, GREASE 10

25

6905651

RING

26

6648590

SHIM

27

6648591

SHIM

28

GUIDE NLA - Order 7165305 guide - Was 6906510 - A

28

7165305

GUIDE

29

23E12

WASHER Was 4E12 - A

30

17C1260

BOLT

31

17C1040

BOLT

32

59D10

NUT

33

6906457

TURNTABLE

34

6906477

BOLT

35

31C816

BOLT Was 35C816 - B

36

6906472

MOLDBOARD

37

6648571

CUTTING EDGE

38

39C1028

BOLT, PLOW Was 6648573 - A

39

85D10

NUT, 5 Was 6674416 - B

40

31C616

SCREW Was 35C512 - B

41

6906594AR

KIT translation - SEE NOTE

41

6906594AR

KIT translation - SEE NOTE

41

6906595AR

KIT decal - SEE NOTE

41

6906595BR

KIT decal - SEE NOTE

41

6906595JP

KIT decal - SEE NOTE

42

7166067

GUIDE

43

6705340

DECAL, GREASE

Выбрано товаров: 48