Запчасти Bobcat GRAPPLES 90 SCRAP GRAPPLE (028900101 - 00103) Телескопические мини-погрузчики

Схема запчастей Bobcat GRAPPLES - 90 SCRAP GRAPPLE (028900101 - 00103) Телескопические мини-погрузчики
FIT
1:1
100%

Артикул

Название

Примечание

Количество

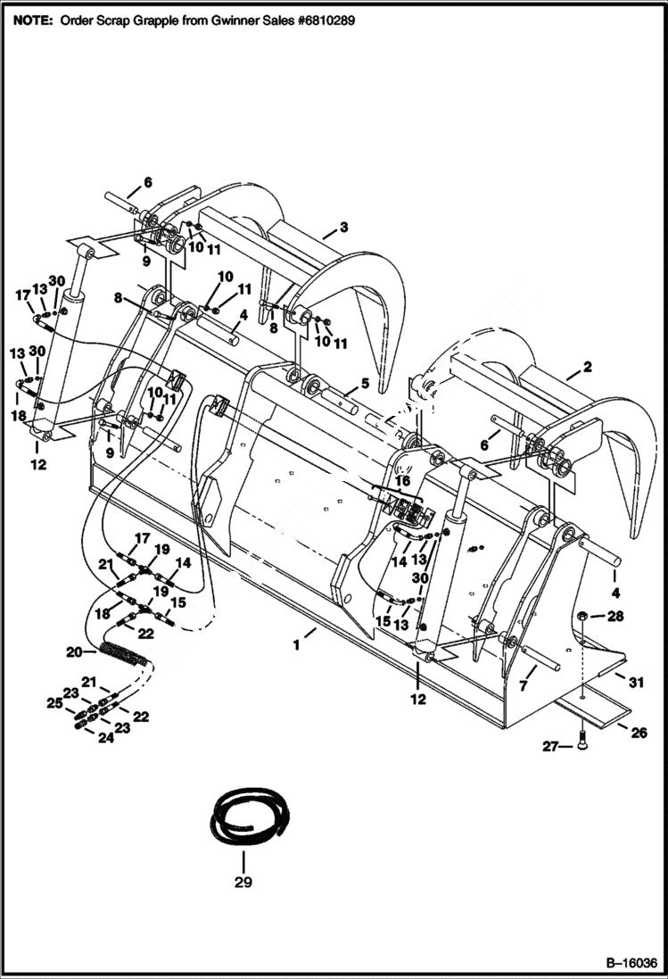
1

BUCKET SALES - scrap - 90'' (2286 mm) - SEE NOTE

2

GRAPPLE NSS - right side - Order Ref. 1

3

GRAPPLE NSS - left side - Order Ref. 1

4

6678179

PIN

5

6678183

PIN

6

6678178

PIN

7

6678177

PIN

8

17C648

BOLT 5

9

17C640

BOLT 5

10

4E6

WASHER

11

85D6

NUT, 5

12

6678184

CYLINDER See Illustration CYLINDER/ B16407

13

15KB0606

FITTING, HYD CONNECTOR W/Ref. 30

13

97K6

O RING

14

6678167

HOSE

15

6678158

HOSE

16

6678193

CLAMP ASSY

17

6678163

HOSE

18

6678159

HOSE

19

10K5

TEE Was 10KN00005B - A

19

97K6

O RING

20

SLEEVE NLA - 30'' (762 mm) long - Order Ref. 29

21

6678160

HOSE

22

6678161

HOSE

23

6578812

ADAPTER

23

79K12

O RING 10

24

6672960

COUPLER, FF FEMALE straight

25

6674688

COUPLER, FF MALE straight

26

6678192

EDGE, CUTTING, BOLT-ON 90'' 8 hole

27

6729510

BOLT

28

57D10

NUT

29

6652367

HOSE COVER bulk - Sold Per Foot

30

99K6

O RING

31

6679705

EDGE, CUTTING WELD-ON 90''

Выбрано товаров: 34