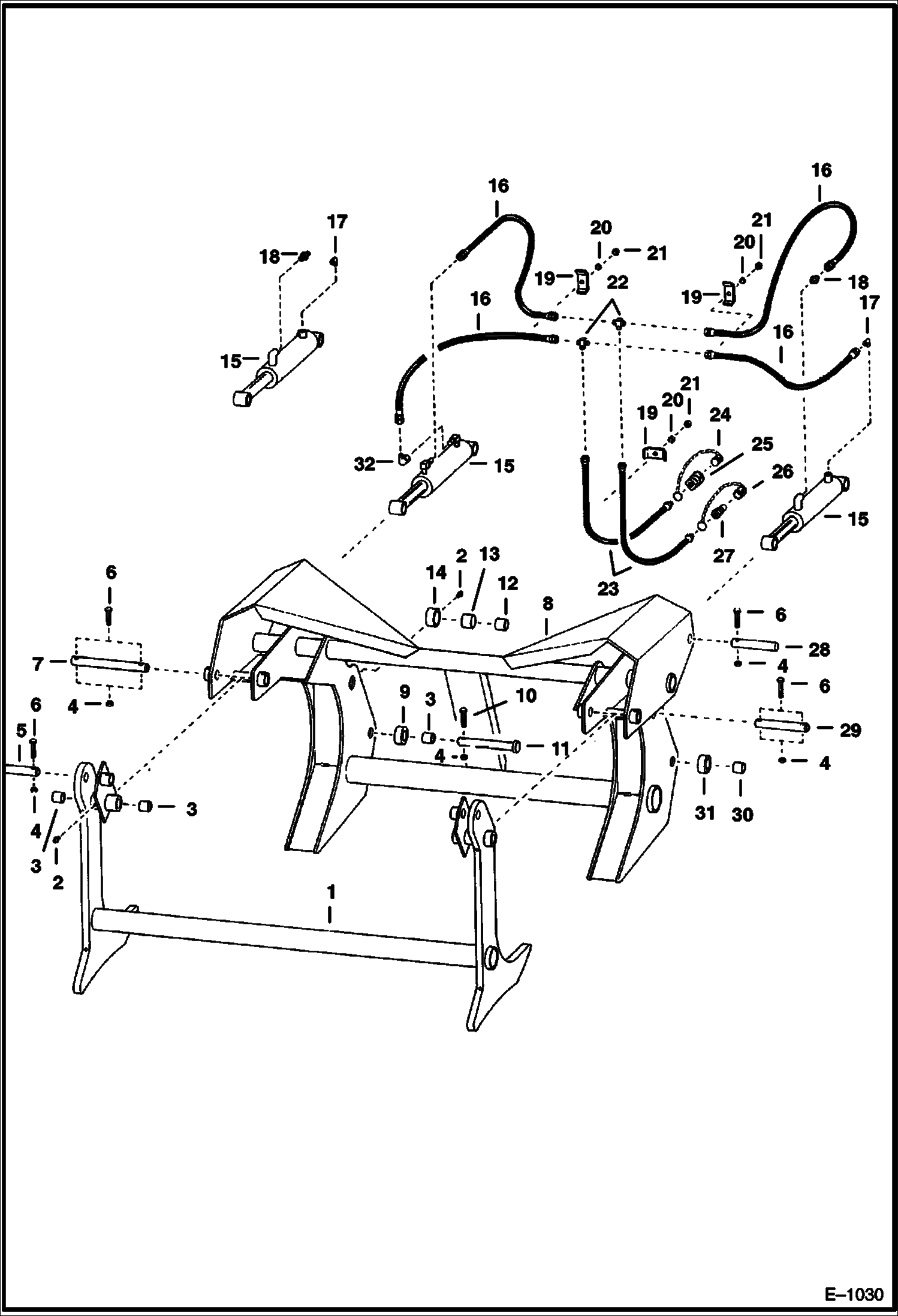
Запчасти Bobcat GRAPPLES LOG GRAPPLE - 444 & 500 Direct Mount Loader

Схема запчастей Bobcat GRAPPLES - LOG GRAPPLE - 444 & 500 Direct Mount Loader
FIT
1:1
100%

Артикул

Название

Примечание

Количество

1

TEETH NLA - Was 6501360 - A

2

10H35

FITTING, GREASE 10

3

6502762

BUSHING

4

91D5

NUT 5 Was 81D000005B - A

5

6505211

HINGE PIN

6

17C532

BOLT 5

7

6502942

HINGE PIN

8

MAIN FRAME NLA - Was 6501365 - A

9

6502801

BUSHING

10

17C536

BOLT

11

6502779

PIN

12

6502798

BUSHING

13

6502802

BUSHING

14

6502797

BUSHING

15

CYLINDER See Illustration GRAPPLE CYLINDER - 444 & 500 Direct Mount/ B18281 See Illustration GRAPPLE CYLINDER - 444 & 500 Direct Mount/ TS1018A See Illustration GRAPPLE CYLINDER - 444 & 500 Direct Mou

16

6501435

HOSE

17

83F5

ELBOW

18

89F5

CONNECTR

19

6502426

CLAMP

20

4E6

WASHER

21

61D6

NUT 5

22

10K6

FITTING

23

6501436

HOSE

24

6515167

PLUG W/Chain

25

6598756

QUICK COUPLER female half

25

25K40026

O RING 10

26

6515168

CAP W/Chain

27

6598755

QUICK COUPLER male half

28

6505210

HINGE PIN

29

6502783

PIN

30

6502822

BUSHING

31

6502785

BUSHING

32

11K5

FITTING Use with 2 elbow cylinder

Выбрано товаров: 0