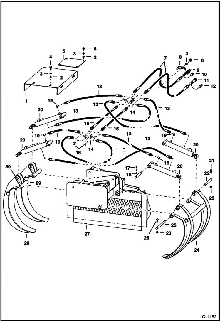
Запчасти Bobcat GRAPPLES PULPWOOD GRAPPLE - 444 & 500 Direct Mount 4 Tooth Loader

Схема запчастей Bobcat GRAPPLES - PULPWOOD GRAPPLE - 444 & 500 Direct Mount 4 Tooth Loader
FIT
1:1
100%

Артикул

Название

Примечание

Количество

1

6506560

COVER

2

25E17

WASHER 5

3

4E6

WASHER

4

17C614

BOLT

5

6506562

PLATE rear cover

6

61D6

NUT 5

7

6504956

HOSE

8

6502426

CLAMP

9

6598755

QUICK COUPLER male half

10

6515168

CAP W/Chain

11

6598756

QUICK COUPLER female half

11

25K40026

O RING 10

12

6515167

PLUG W/Chain

13

6504958

HOSE

14

BLOCK NLA - manifold - Was 6506566 - A

15

6504957

HOSE

16

40K6

PLUG

17

PIN NLA - .25'' Diameter 2'' Long - Was 14J2532

18

6506563

HINGE PIN

19

26F2

ELBOW

20

CYLINDER See Illustration GRAPPLE CYLINDER - 444 & 500 Direct Mount/ B18281 See Illustration GRAPPLE CYLINDER - 444 & 500 Direct Mount/ TS1018A See Illustration GRAPPLE CYLINDER - 444 & 500 Direct Mou

21

17C540

BOLT

22

6506565

PIN

23

91D5

NUT 5

24

6506561

TEETH L.H.

25

6502942

HINGE PIN

26

17C532

BOLT 5

27

MAIN FRAME NLA - Was 6506559 - A

28

6506558

TEETH R.H.

29

6502762

BUSHING pivot

30

6502822

BUSHING cylinder

Выбрано товаров: 31