Запчасти Bobcat GRAPPLES FARM GRAPPLE FORK - 300, 400 Series & Farmboy Loader

Схема запчастей Bobcat GRAPPLES - FARM GRAPPLE FORK - 300, 400 Series & Farmboy Loader
FIT
1:1
100%

Артикул

Название

Примечание

Количество

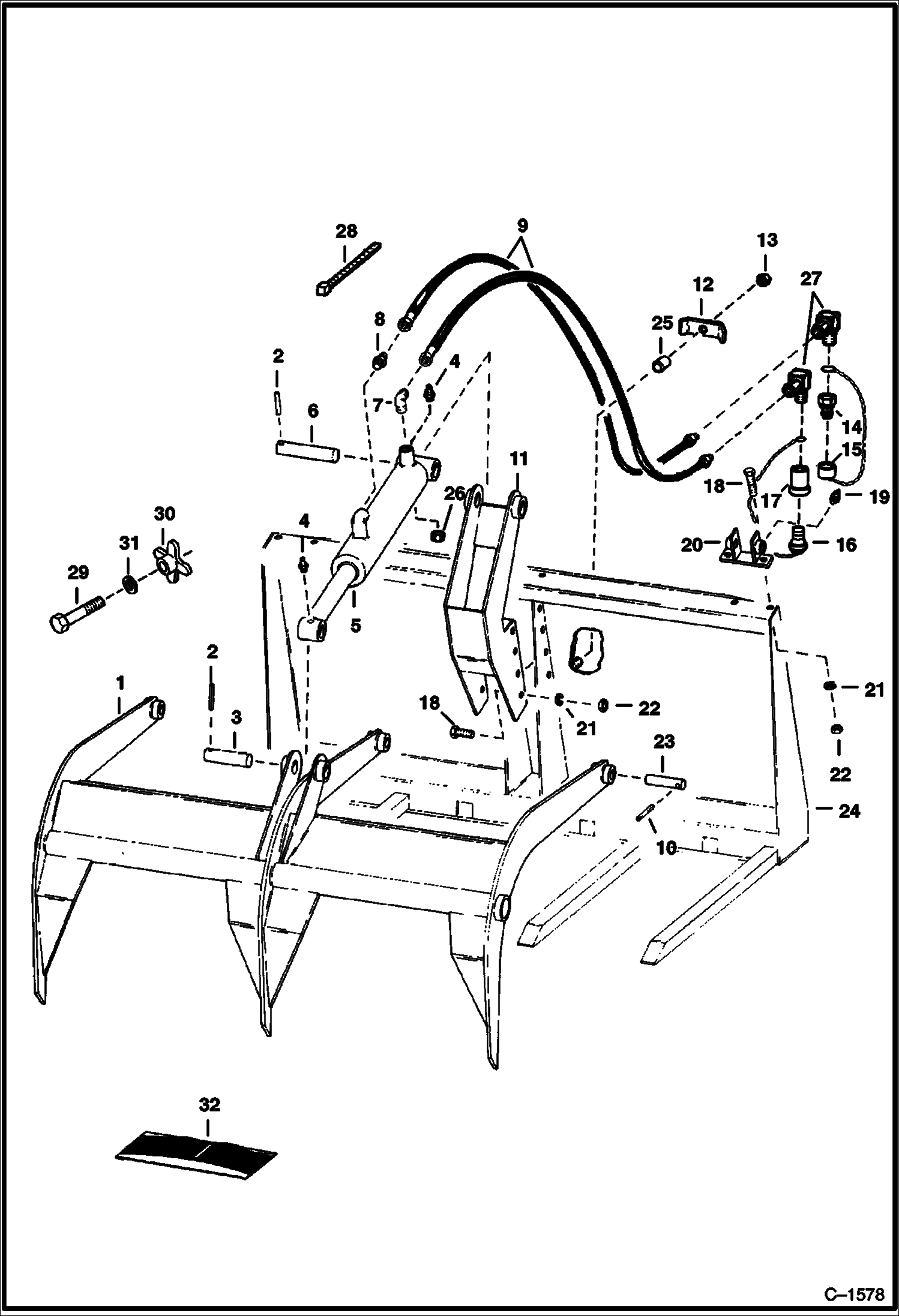
1

6509888

TEETH grapple

2

742953

ROLL PIN

3

6540201

HINGE PIN

4

10H25

FITTING, GREASE 5

5

6540122

CYLINDER See Illustration HYDRAULIC CYLINDER - 300, 400 Series & Farmboy/ B1414

6

6505198

PIN

7

83F5

ELBOW

8

89F5

CONNECTR reducing

9

6540092

HOSE NPT male on coupler end

9

6565814

HOSE Flared fitting on coupler end

10

659648

PIN

11

6509894

MOUNT cylinder

12

6502426

CLAMP

13

85D6

NUT, 5

14

6519318

QUICK COUPLER Male - Use W/6540092 Hose

14

QUICK COUPLER NLA - Male - poppet style - Use W/6565814 Hose - order 6667805 & 6667806 couplers - Was 6630093 - A

14

6667806

COUPLER male - flush face - Use W/6565814 Hose

15

3679001

CAP W/Chain

16

3679000

PLUG-DUST W/Chain

17

6519317

QUICK COUPLER Female - Use W/6540092 Hose

17

58K116

O RING 10

17

QUICK COUPLER NLA - Female - poppet style - Use W/6565814 Hose - order 6667805 & 6667806 couplers - Was 6630092 - A

17

25K30024

O RING 10

17

6667805

COUPLER, FF FEMALE straight - Use W/ 6565814 hose

18

35C620

BOLT 5 Was 31C000620B - B

19

10H35

FITTING, GREASE 10

20

6509868

BRACKET mounting

21

4E6

WASHER

22

57D6

NUT 5

23

6509902

HINGE PIN

24

FORK See Illustration UTILITY FORK - 300 Series/ C1580 See Illustration UTILITY FORK - New 400 Series & Farmboy/ TS1167 See Illustration UTILITY FORK - 400 Series & Farmboy/ B14044 UTILITY

25

6585460

TUBE Use on 400 Series

26

16F2

PLUG

27

6646497

ELBOW Use on 400 Series

28

6610510

TIE

29

17C652

BOLT

29

17C680

BOLT

30

6647668

KNOB

31

25E17

WASHER 5

32

6718966AR

KIT translation

32

6718966BR

KIT translation

32

6566457AR

INSTRUCTIONS translated

32

6566457BR

INSTRUCTIONS translated

Выбрано товаров: 43