Запчасти Bobcat GRAPPLES INDUSTRIAL GRAPPLE - 600 thru 720 Series Old Loader

Схема запчастей Bobcat GRAPPLES - INDUSTRIAL GRAPPLE - 600 thru 720 Series Old Loader
FIT
1:1
100%

Артикул

Название

Примечание

Количество

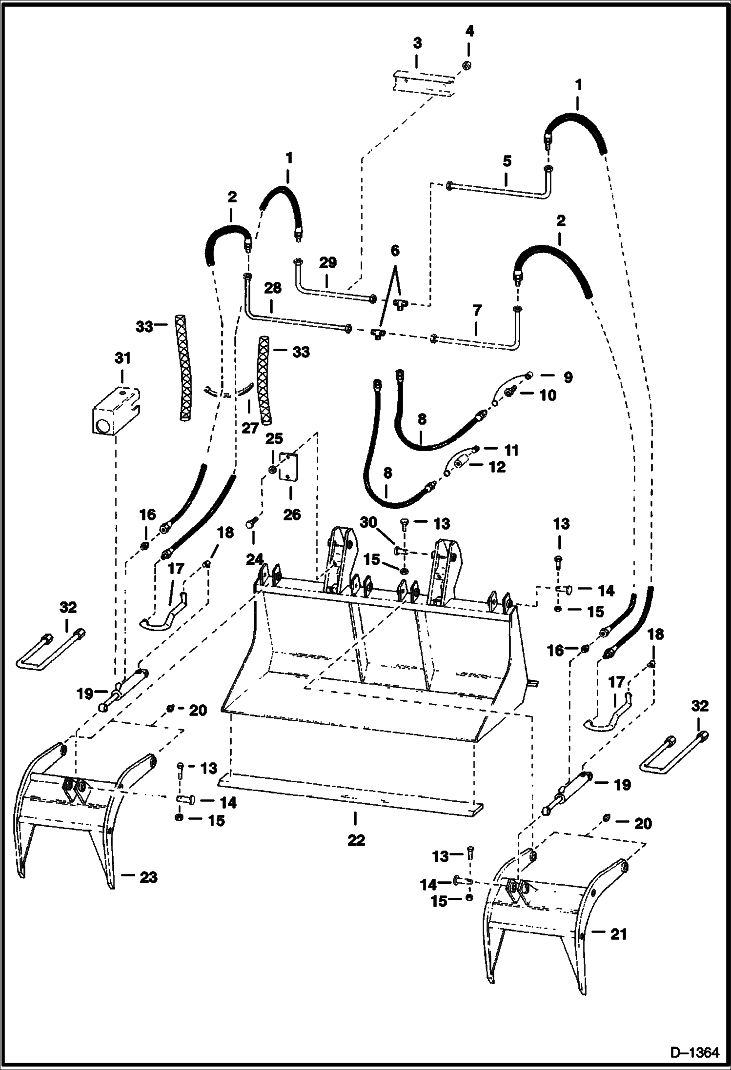
1

6704267

HOSE Was 6546573

2

6546574

HOSE Use W/Ref. 16

2

6704268

HOSE Use W/Out Ref. 16 - Was 6577935 - A

3

6552350

CHANNEL

4

85D6

NUT, 5

5

6552351

TUBE

6

10K5

TEE

7

6552354

TUBE

8

6546589

HOSE

9

6515168

CAP

10

6598755

QUICK COUPLER Male

11

6515167

PLUG

12

6598756

QUICK COUPLER Female

12

25K40026

O RING 10

13

17C528

BOLT

14

6509891

PIN

15

85D5

NUT 5

16

89F5

CONNECTR

17

6546563

TUBE Use W/Ref. 18

18

83F5

ELBOW

19

CYLINDER See Illustration GRAPPLE CYLINDER/ B18259 See Illustration GRAPPLE CYLINDER/ B18258 See Illustration UTILITY, INDUSTRIAL & FARM GRAPPLE/ B18262 See Illustration GRAPPLE CYLINDER/ TS1018

20

10H25

FITTING, GREASE 5

21

TOOTH ASSY. NLA - L.H. - Was 6546614 - A

22

CUTTING EDGE NLA - 54'' (1372mm) - order 6701003 cutting edge - Was 6509244 - A

22

6542658

EDGE, CUTTING WELD ON BEVELED 60.40'' 60'' (1524mm)

23

TOOTH ASSY. NLA - R.H. - Order 1 - 6549483 & 2 - 854005 - Was 6547092 - A

24

17C616

BOLT 5

25

25E17

WASHER 5

26

6546570

PLATE

27

6610510

TIE Was 1715312 - A

28

6552352

TUBE

29

6552353

TUBE

30

6546557

PIN

31

COVER NLA - Was 6546566 - A

32

6577936

TUBE

33

HOSE COVER NLA - 19.5'' (495mm) long - Order 6649389

33

6649389

HOSE COVER Bulk - Sold Per Foot - Was 6649439 - D

Выбрано товаров: 37