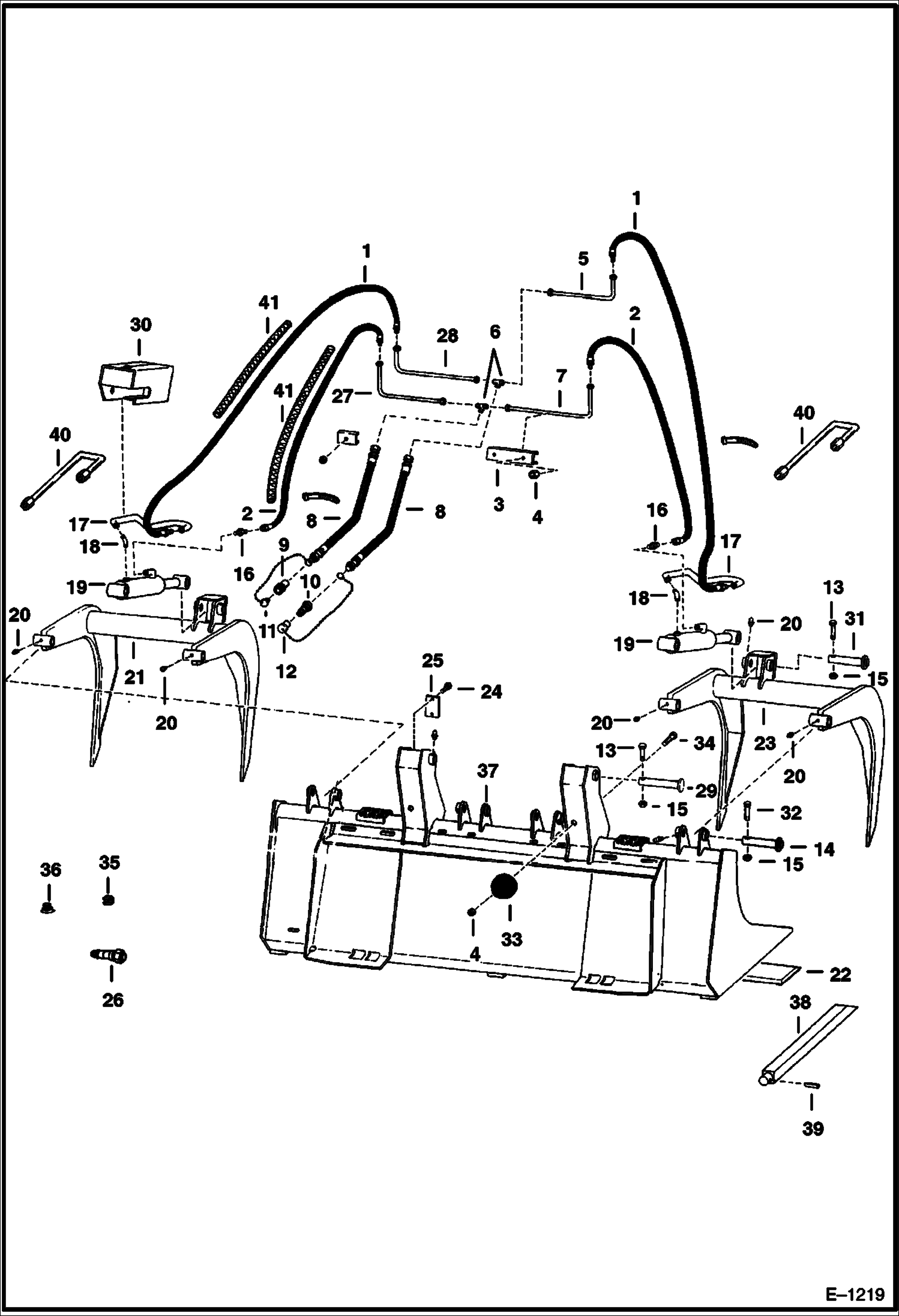
Запчасти Bobcat GRAPPLES INDUSTRIAL GRAPPLE - 600 thru 720 Series New Loader

Схема запчастей Bobcat GRAPPLES - INDUSTRIAL GRAPPLE - 600 thru 720 Series New Loader
FIT
1:1
100%

Артикул

Название

Примечание

Количество

1

6704267

HOSE Was 6546573 - A

2

6546574

HOSE Use W/Ref. 16

2

6704268

HOSE Use W/Out Ref. 16 - Was 6577935 - A

3

6555367

CHANNEL

4

85D6

NUT, 5

5

6552351

TUBE

6

10K5

TEE

7

6552354

TUBE

8

6546589

HOSE

9

6598756

QUICK COUPLER female

9

25K40026

O RING 10

10

6598755

QUICK COUPLER male

11

6515167

PLUG

12

6515168

CAP

13

17C528

BOLT

14

6551663

PIN, PIVOT

15

85D5

NUT 5

16

89F5

CONNECTR

17

6546563

TUBE Use W/Ref. 18

18

83F5

ELBOW

19

CYLINDER See Illustration GRAPPLE CYLINDER/ B18258 See Illustration UTILITY, INDUSTRIAL & FARM GRAPPLE/ B18262 See Illustration GRAPPLE CYLINDER/ TS1018 See Illustration GRAPPLE CYLINDER/ B18259

20

10H25

FITTING, GREASE 5

21

6549482

TOOTH L.H.

22

6549459

EDGE, CUTTING WELD ON BEVELED 60.40'' 60''(1524mm) L x 6''(152,4mm)W

23

6549483

TOOTH R.H.

24

17C616

BOLT 5

25

6549475

PLATE

26

RELIEF VALVE NLA - Was 6513594 - A

27

6552352

TUBE

28

6552353

TUBE

29

6546556

PIN

30

6562438

SHIELD

31

6553254

PIN

32

17C532

BOLT 5

33

6562109

STOP, SWING

34

BOLT NLA - carriage bolt - 3/8'' x 1'' - Was 7C000616B - A

35

6598794

RESTRICTOR

36

6598690

SPRING

37

BUCKET NLA - grapple - 60'' (1524mm)

37

FORK NLA - grapple - 66'' (1676,4mm)

38

6563678

TOOTH For 66'' (1676,4mm) Fork Grapple

39

14J3724

PIN

40

6577936

TUBE

41

HOSE COVER NLA - 19.5'' (495,3 mm) long - Order 6649439

41

6649389

HOSE COVER Bulk - Sold Per Foot

Выбрано товаров: 45