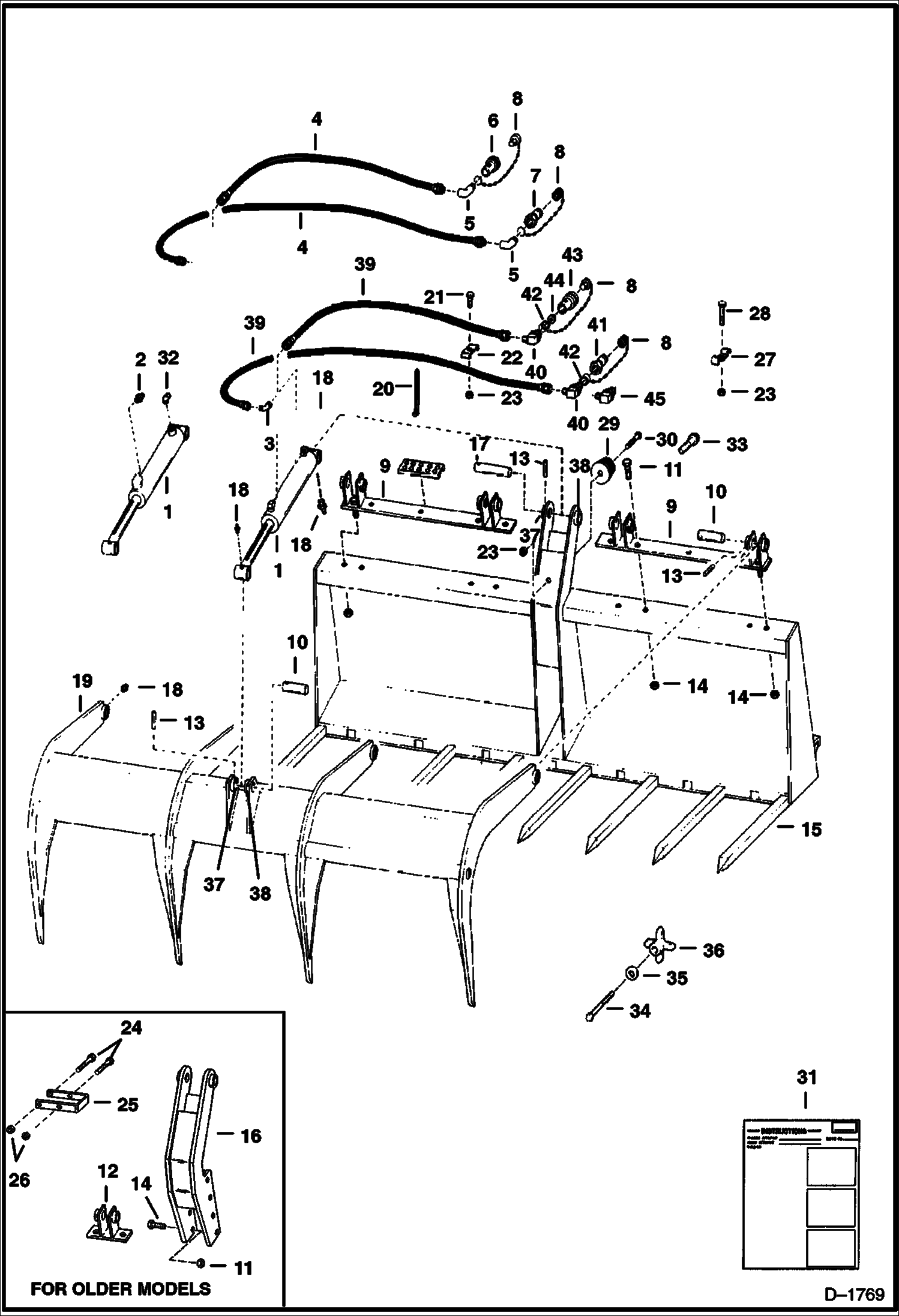
Запчасти Bobcat GRAPPLES GRAPPLE FORK Old Loader

Схема запчастей Bobcat GRAPPLES - GRAPPLE FORK Old Loader
FIT
1:1
100%

Артикул

Название

Примечание

Количество

1

CYLINDER See Illustration GRAPPLE CYLINDER/ B18258 See Illustration UTILITY, INDUSTRIAL & FARM GRAPPLE/ B18262 See Illustration GRAPPLE CYLINDER/ TS1018 See Illustration GRAPPLE CYLINDER/ B18259

2

89F5

CONNECTR

3

83F5

ELBOW

4

6557124

HOSE

5

29F3

ELBOW

6

6598756

QUICK COUPLER Female

6

25K40026

O RING 10

7

6598755

QUICK COUPLER Male

8

6513709

CAP PLUG assy. - Rubber

8

6515168

CAP Steel

8

6515167

PLUG Steel

9

MOUNT NLA - One piece - Order 6576260

9

MOUNT NLA - 2 piece - Bolt On - Order 6576260 - Was 6569748 - A

9

6576260

BRACKET 2 piece - Weld On

10

6505199

PIN

11

17C820

BOLT

12

6505124

BRACKET Inside

12

6508592

BRACKET Outside

13

742953

ROLL PIN

14

85D8

NUT, 5

15

FORK See Illustration UTILITY FORK/ C1477A UTILITY

16

6505126

MOUNT

17

6505198

PIN

18

10H25

FITTING, GREASE 5

19

6554629

TEETH

20

6610510

TIE Was 1715312B - A

21

17C628

BOLT

22

6502773

CLAMP

23

85D6

NUT, 5

24

17C572

BOLT

25

6557125

CLAMP

26

85D5

NUT 5

27

6563353

CLAMP

28

17C644

BOLT

29

6562109

STOP, SWING

30

17C616

BOLT 5

31

6570942

INSTRUCTIONS Was 6570386 - C

32

11K5

FITTING

33

84G3728

BOLT

34

17C652

BOLT

34

17C680

BOLT

35

25E17

WASHER 5

36

6647668

KNOB

37

6504062

BUSHING

38

6503743

BUSHING

39

6563438

HOSE

40

1300913

ELBOW Use with poppet couplers

40

6589193

ELBOW Use with flush face couplers

41

6598757

COUPLER, POPPET MALE straight

41

6674688

COUPLER, FF MALE straight - Was 6667808 - A

41

6679841

SEAL Was 6672026 - A

42

79K10

O RING 10 Use with poppet couplers

42

79K12

O RING 10 Use with flush face couplers

43

6598758

COUPLER, POPPET FEMALE straight

43

6672960

COUPLER, FF FEMALE straight - Was 6667807 - A

44

6660556

ORIFICE .07''(1,78mm) Dia-.875'' threads used with poppet couplers

44

6668115

ORIFICE .07''(1,78mm) Dia-1.06'' threads used with flush face couplers - do not use with 6674688 coupler

45

6678056

ELBOW w/built-in .070'' orifice

Выбрано товаров: 58